EasyManua.ls Logo

Studer D19 MasterSync - Block Diagrams

Studer D19 MasterSync
34 pages
Print Icon
To Next Page IconTo Next Page
To Next Page IconTo Next Page
To Previous Page IconTo Previous Page
To Previous Page IconTo Previous Page
Loading...
D19 MasterSync
Come in! E 1/3Date printed: 13.09.00
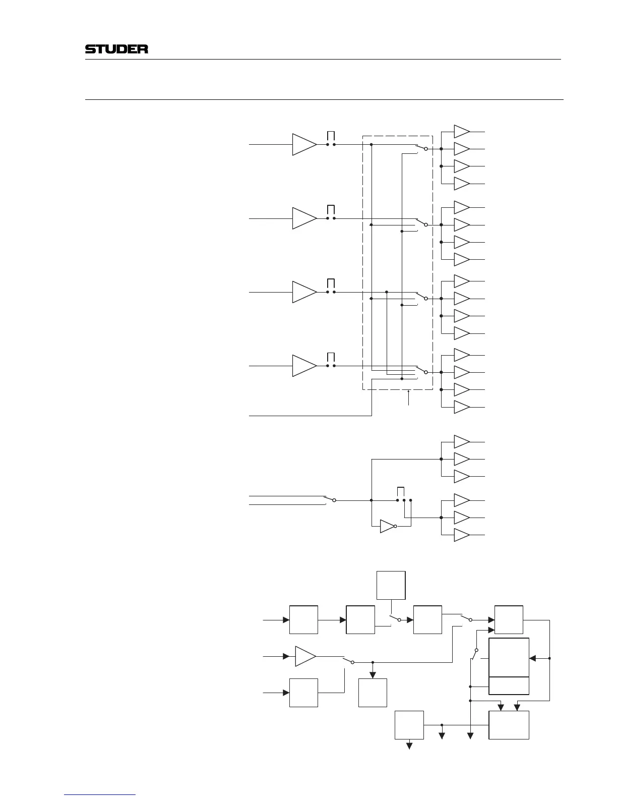
1.2.3 Block Diagrams
Distributor:
AES IN 1
Redundancy
port
AES OUT 1...4
nor/inv
Distributor block diagram
AES IN 2
AES IN 3
AES IN 4
AES/EBU
from generator
WCLK IN
AES OUT 5...8
AES OUT 9...12
AES OUT 13...16
WORDCLOCK
OUT 1...6
WCLK from generator
Distribution mode:
1 to 16
2 to 8
4 to 4
IINT
Sync Generator:
SYNC
REP
AES
REC
PLL
: 1000
: 1001
1 ppm
REF
S RATE
MEAS.
PLL
: 320 (48)
: 294 (44.1)
: 288 (32)
: 128
AES/EBU
GEN
AES
REC
VIDEO IN
WCKL IN
AES IN
ERROR
AES
OUT
WCLK
OUT

Related product manuals