EasyManua.ls Logo

Sub-Zero 632-2 - Wiring Schematic Models: 632-2 & 642-2

Sub-Zero 632-2
188 pages
Print Icon
To Next Page IconTo Next Page
To Next Page IconTo Next Page
To Previous Page IconTo Previous Page
To Previous Page IconTo Previous Page
Loading...
Built-In
Built-In
(600-
(600-
2
2
)
)
Series
Series
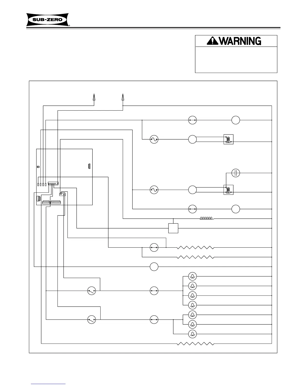
Wiring Diagrams / Schematics
NEUTL1
DRAIN
HEATER
DEFROST
HEATER
DEFROST
TERMINATOR
CONDENSER
FAN MOTOR
ICEMAKER
WATER
VALVE
REFRIGERATOR
LIGHTS
LIGHT
TERMINATOR
REFRIGERATOR
LIGHT SWITCH
FREEZER
LIGHTS
FREEZER
LIGHT
FREEZER
LIGHT SWITCH
LIGHT
TERMINATOR
FILL TUBE
HEATER
FREEZER
FAN SWITCH
FREEZER
FAN MOTOR
FREEZER
COMPRESSOR
FREEZER
OVERLOAD
PROTECTOR
FREEZER
COMPRESSOR
STARTING
RELAY
RUNNING
CAPACITOR
REFRIGERATOR
COMPRESSOR
STARTING
RELAY
REFRIGERATOR
FAN MOTOR
REFRIGERATOR
FAN SWITCH
115 VOLTS
60 CYCLES
REFRIGERATOR
COMPRESSOR
REFRIGERATOR
OVERLOAD
PROTECTOR
PART NUMBER 3756771
RED
ORANGE
-This wiring information is provided for use by qualified
service personnel only.
-Disconnect appliance from electrical supply before
beginning service.
-Be sure all grounding devices are connected when
service is complete.
-Failure to observe the above warnings may result in
severe electrical shock.
160 OHMS
BLACK WHITE
GRAY
PURPLE
TAN
PINK
GRAY\WHITE
BLUE
WHITE\RED
ORANGE
BROWN
WHITE\BLUE
WHITE
RED
J2
J3
E7E2 E6E10
J1
J4
J5
J7
J6
ORANGE
BROWN
M
M
M
M
M
21 OHMS
1890 OHMS
2600 OHMS
WIRING SCHEMATIC
MODELS: 632-2 & 642-2
10-13
#3758407 - Revision B - August, 2006

Table of Contents

Other manuals for Sub-Zero 632-2

Related product manuals