EasyManua.ls Logo

SUNWARD SWE20F 2019 - 8 Attachment; Electric Drawing

SUNWARD SWE20F 2019
104 pages
Print Icon
To Next Page IconTo Next Page
To Next Page IconTo Next Page
To Previous Page IconTo Previous Page
To Previous Page IconTo Previous Page
Loading...
99
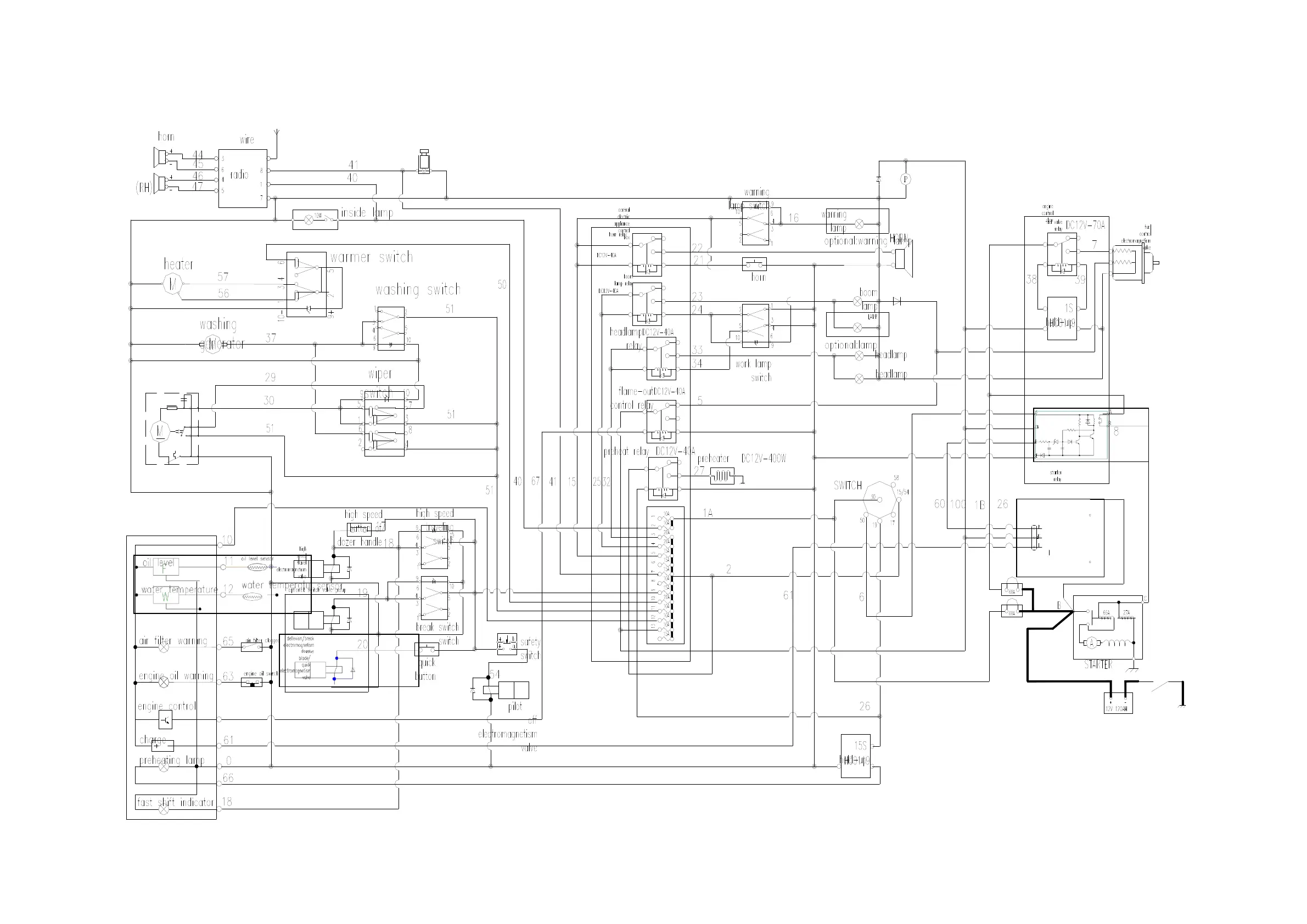
8. ATTACHMENT
8.1 20FNELECTRIC DRAWING

Table of Contents

Related product manuals