EasyManua.ls Logo

Sutter Instrument P-97 - Operating Instructions; First-Time Operation Guide

Sutter Instrument P-97
66 pages
Print Icon
To Next Page IconTo Next Page
To Next Page IconTo Next Page
To Previous Page IconTo Previous Page
To Previous Page IconTo Previous Page
Loading...
11
3. OPERATING INSTRUCTIONS
3.1 First Time Use
While we realize that most new users of the P-97 are anxious to start pulling useable pipettes
right away, we cannot over-state the importance of taking a few moments to review the
manual in order to understand how the puller works. Many a heating filament has been
destroyed with first use because the user did not understand the relationship between the
programmable heat settings and the filament installed in the puller. If you absolutely must
use the puller before reading through the manual, the following instructions are provided to
help you get going and keep you from vaporizing your heating filament.
1. Make certain that the P-97 is plugged into the power outlet of the correct voltage and
frequency.
2. Remove the rubber bands holding the puller bars together.
3. Turn Power switch on left side of cabinet ON.
4. Press < 0 > followed by < ENTR > on the keypad to view Program 0. The cursor will be
flashing on the HEAT parameter.
5. Inspect the parameter values displayed for Program 0. Program 0 should display the
factory-installed values listed on the enclosed program sheet. If the parameter settings
vary, write down the values displayed and then re-enter the program sheet.
CAUTION: The program HEAT value should not exceed the listed RAMP TEST value by
more than 10 units.
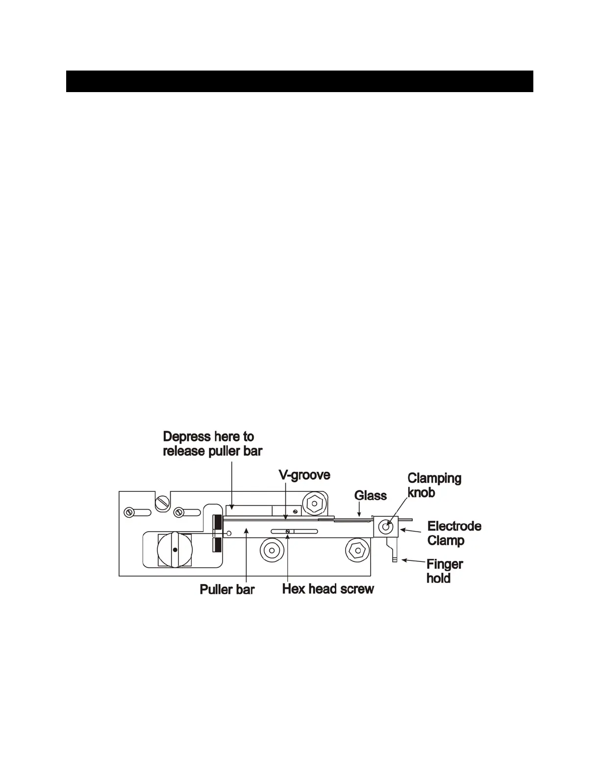
6. Load a piece of the supplied sample glass into puller as follows:
Figure 3-1. Loading a piece of glass.
a. Loosen both clamping knobs about one complete rotationto avoid breaking the glass
as it passes under each electrode clamp.
b. Place glass in V-groove in puller bar, slide it beyond the clamp about two centimeters
and tighten the clamping knob.
c. Depress the spring stop on each puller bar to release them from their catch position.
P-97 FLAMING/BROWN MICROPIPETTE PULLER OPERATION MANUAL – REV. 2.43 - DOM (20161118)

Table of Contents

Related product manuals