EasyManua.ls Logo

Swarm M138 - Level Shifting

Swarm M138
77 pages
Print Icon
To Next Page IconTo Next Page
To Next Page IconTo Next Page
To Previous Page IconTo Previous Page
To Previous Page IconTo Previous Page
Loading...
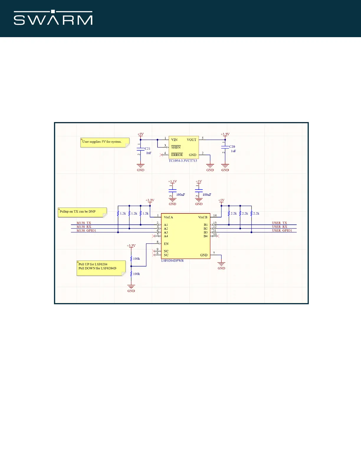
5.4.1 Level Shifting
The Modem is 3.3V logic capable, so interfacing with higher or lower level logic systems will
require level shifting. There are many methods to level shift a signal ranging from simple
mosfets and resistors to dedicated IC’s to handle the operation. Level shifting should be
bi-directional.
November 2021 Swarm M138 Modem Manual - Rev 1.00 24/77