EasyManua.ls Logo

Taie FA211 - 3Ψzero Crossing Control (by TRIAC)

Default Icon
66 pages
Print Icon
To Next Page IconTo Next Page
To Next Page IconTo Next Page
To Previous Page IconTo Previous Page
To Previous Page IconTo Previous Page
Loading...
58
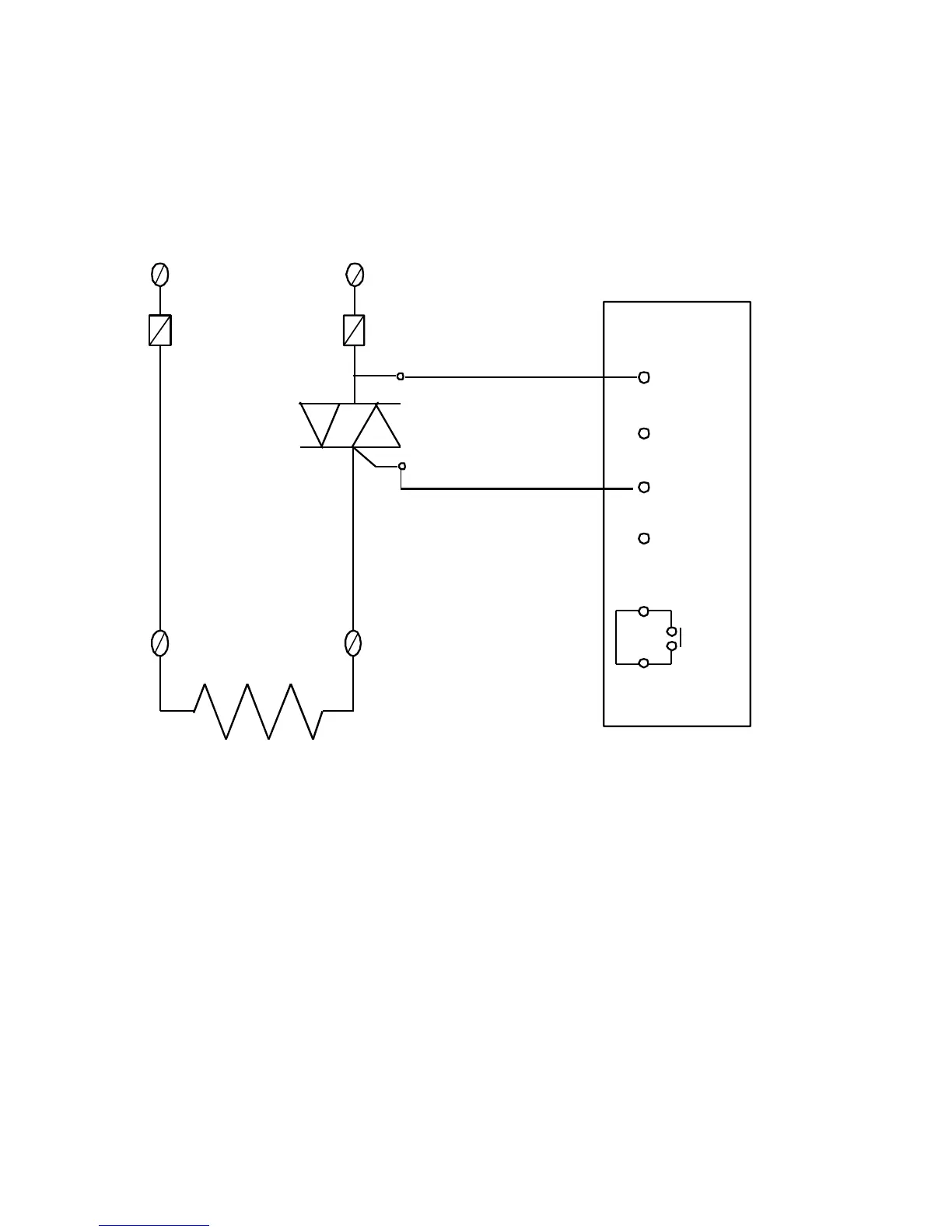
18.7 1ψZero crossing control (By TRIAC)
z Available Models FY900 / PFY900FY700 / PFY700
FY400 / PFY400
z OUT1: 1ψSCR zero cross control
z Data Change OUTY=0
CYT1=1
Short
Controller
G1
G2
PROT
T1
G1
S
R
UV
TRIAC
T2
Load
Fast Fuse

Table of Contents

Related product manuals