EasyManua.ls Logo

Taie FY100 - Phase Angle Control (by SCR Module)

Taie FY100
66 pages
Print Icon
To Next Page IconTo Next Page
To Next Page IconTo Next Page
To Previous Page IconTo Previous Page
To Previous Page IconTo Previous Page
Loading...
54
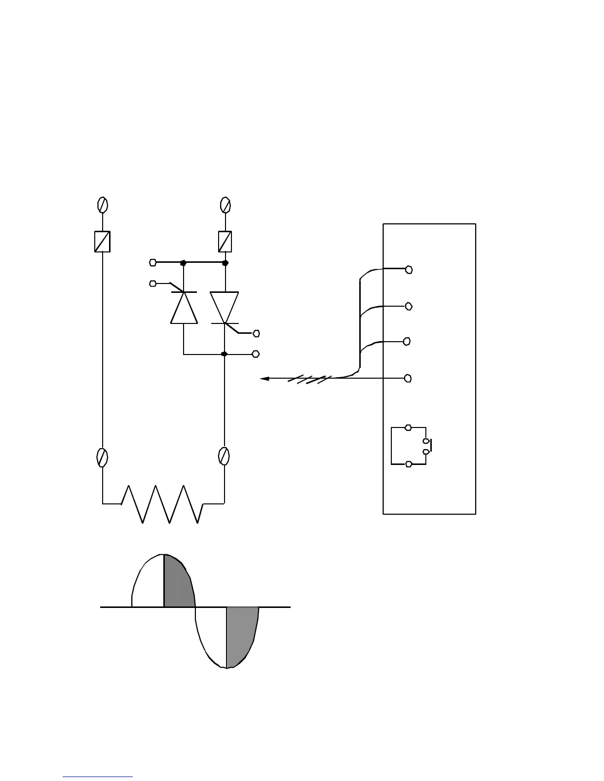
18.3 1ψ Phase angle control (By SCR module)
z Available ModelsFY900 / PFY900FY700 / PFY700FY800 / PFY800
FY100 / PFY100
z OUT1: 1ψSCR phase angle control
z Parameter setting OUTY=4
CLO1=0CHO1=4500 if use for resistance load
CLO1=0CHO1=4000 if use for inductor load
Short
CONTROLLER
G 1
G 2
K 1
K 2
PROT
K1
K 2
G 1
S
R
G 2
FAST
FUSE
UV
SCR
Module
** Controller source phase must be same as load source phase
LOAD

Table of Contents

Other manuals for Taie FY100

Related product manuals