EasyManua.ls Logo

Takagi GS-2600W-AU - WIRING DIAGRAM AND DIP SWITCH SETTINGS

Takagi GS-2600W-AU
28 pages
Print Icon
To Next Page IconTo Next Page
To Next Page IconTo Next Page
To Previous Page IconTo Previous Page
To Previous Page IconTo Previous Page
Loading...
25
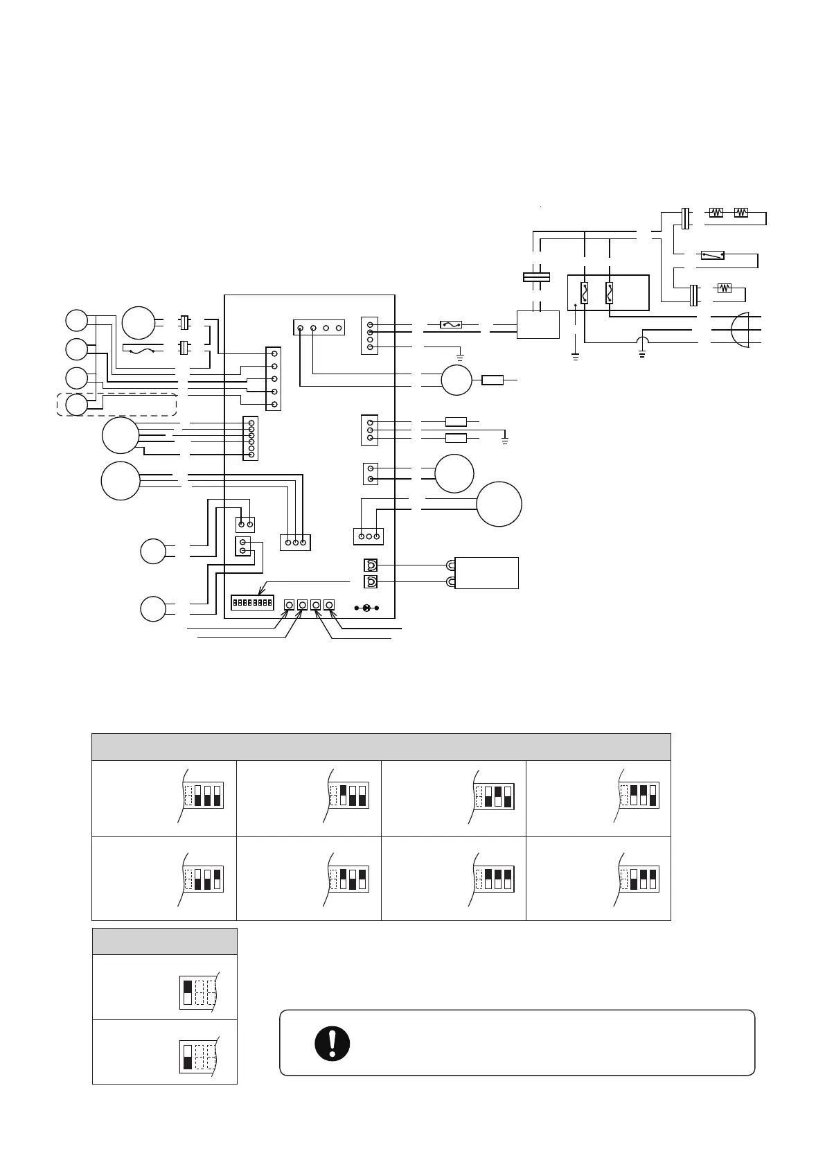
WIRING DIAGRAM
Temperature set
40 °C 45 °C
50 °C
DEFAULT
55 °C
60 °C Error 70 °C Error
8765
ON
OFF
TMP1
TMP2
TMP3
8765
ON
OFF
TMP1
TMP2
TMP3
8765
ON
OFF
TMP1
TMP2
TMP3
8765
ON
OFF
TMP1
TMP2
TMP3
8765
ON
OFF
TMP1
TMP2
TMP3
8765
ON
OFF
TMP1
TMP2
TMP3
8765
ON
OFF
TMP1
TMP2
TMP3
8765
ON
OFF
TMP1
TMP2
TMP3
Gas Select
Propane
Gas
Natural
Gas
321
ON
OFF
321
ON
OFF
Only change the switches with dark squares.
DO NOT adjust other switches.
Elect rod
W
Y
B
L
O
R
F
M
Remote
Controller
65432
1
347
7
OF F
7 8
Inlet
thermistor
thermistor
Burning LED
Flame rod
Ground
Air-fuel ratio rod
Flow
Sensor
3
9
53
73
M V
S V 3
S V 2
SV 1
LB
G
O
R
O.H.C.F
BL
BLBL
BL
BL
BL
BLPK
PK
C
18
17
10
+
65
64
+85-
R
W
BK
BK
BK
BK
BK
BK
R
R
W
Trans-
former
BK
W
Ground
BK
W
Fuse
5A
Flow
Adjust
ment
Valve
Gas
Propor-
tional
Valve
PCB
3
9
53
7
3
1
0
I nc r ea s e b ut t on
D ec r ea s e b ut to n
M AX bu tt o n
M IN bu t to n
Dip switches
Outlet
BK W
BK W
Heater
Thermostat
Heater
24
Ground
Fuse
5A
BK
BK
Surge
Box
BR
BL
Y&G
W
BK
BK
BL
BK
BK
BL
BL
Ground
W・・WHITE
R・・RED
BK・・・BLACK
P・・PURPLE
LB・・・LIGHT
      
BLUE
BL・・BLUE
G・・GREEN
Y・・YELLOW
O・・ORANGE
BR・・BROWN
PK・・PINK
Hi
limit
switch
Only
GS-2600W-AU

Related product manuals