EasyManua.ls Logo

Teac AG-790 - Conexión

Teac AG-790
52 pages
Print Icon
To Next Page IconTo Next Page
To Next Page IconTo Next Page
To Previous Page IconTo Previous Page
To Previous Page IconTo Previous Page
Loading...
38
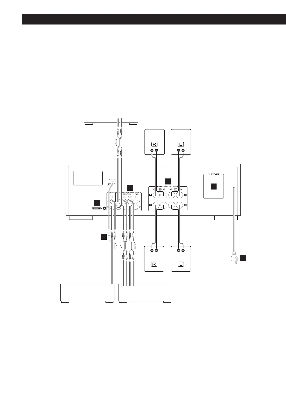
Conexión
LINE
OUT
LINE OUT
LINE
IN
RL
RL
RL
C
B
A
E
F
D
Reproductor de CD
Tornamesa Deck de cassette
Bocinas A
Bocinas B
PRECAUCIÓN:
< Apague todos los equipos antes de realizar las conexiones.
<
Lea las instrucciones de cada equipo que intenta utilizar con esta unidad.
<
Asegúrese de insertar firmemente cada enchufe. Para evitar zumbidos y ruidos, evite poner los
cables de conexión de señal en haz con el cable de alimentación de CA o cables de altavoz.

Other manuals for Teac AG-790

Related product manuals