EasyManua.ls Logo

Teac AG-790 - System Connections; General Connection Guidelines; CD, Tape, Video;Aux Connections; Speaker Connections (A & B)

Teac AG-790
52 pages
Print Icon
To Next Page IconTo Next Page
To Next Page IconTo Next Page
To Previous Page IconTo Previous Page
To Previous Page IconTo Previous Page
Loading...
6
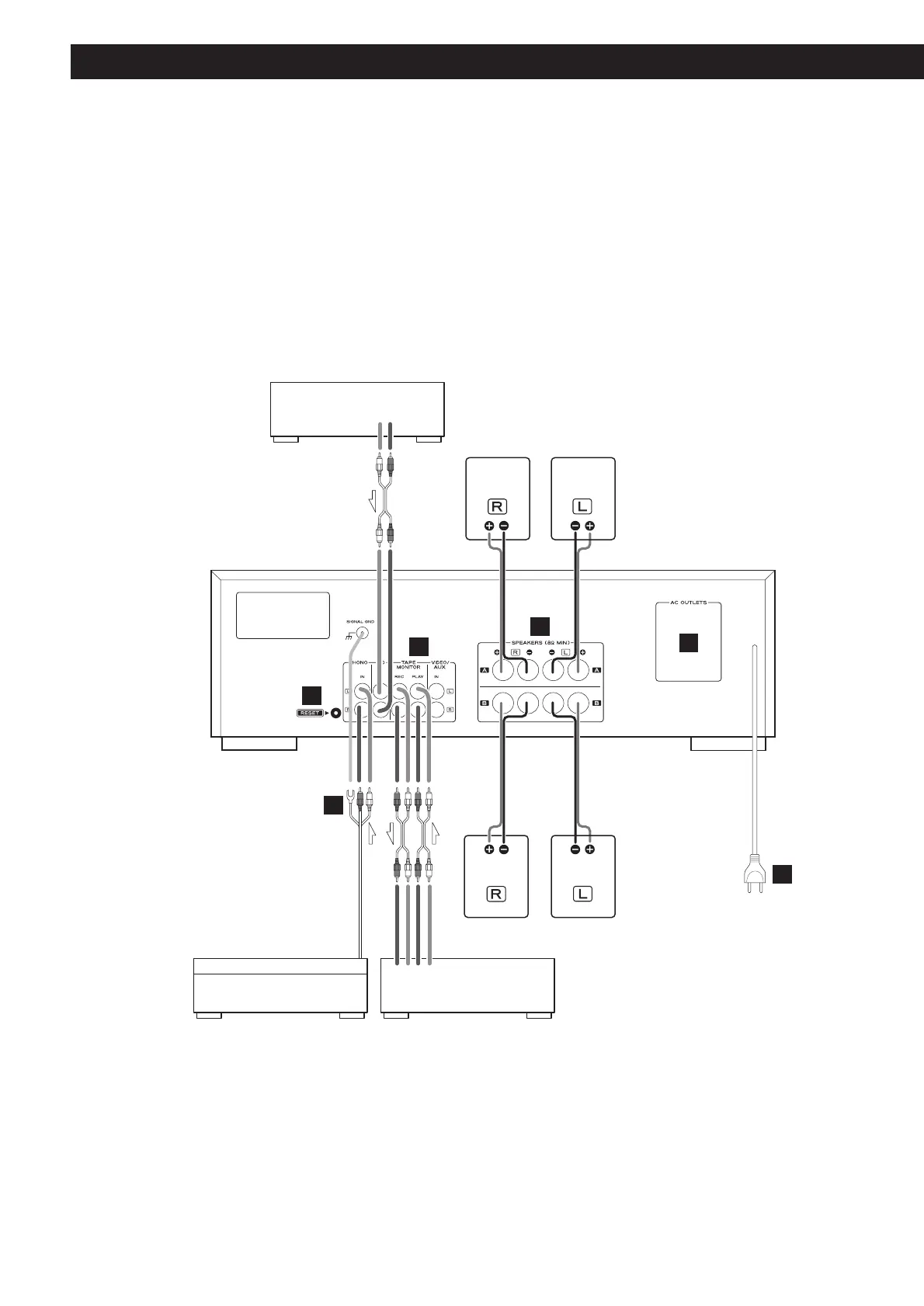
Connection
LINE
OUT
LINE OUT
LINE
IN
RL
RL
RL
C
B
A
E
F
D
CAUTION:
< Switch off the power to all equipment before making connections.
<
Read the instructions of each component you intend to use with this unit.
<
Be sure to insert each plug securely. To prevent hum and noise, avoid bundling the signal
interconnection cables together with the AC power cord or speaker cables.
CD PLAYER
TURNTABLE TAPE
Speakers A
Speakers B

Other manuals for Teac AG-790

Related product manuals