EasyManua.ls Logo

Techcomp UV 2600 - Power on

Default Icon
51 pages
Print Icon
To Next Page IconTo Next Page
To Next Page IconTo Next Page
To Previous Page IconTo Previous Page
To Previous Page IconTo Previous Page
Loading...
CHAPTER 1 INSTALLATION
18
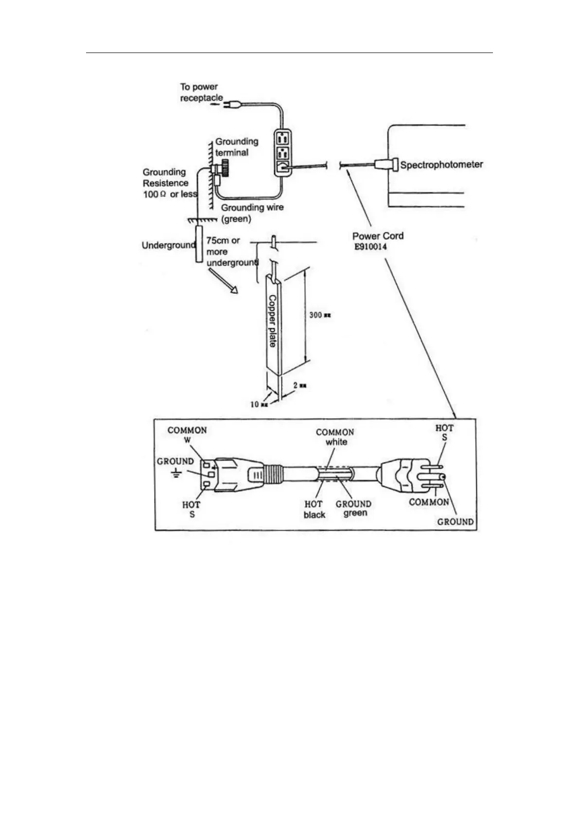
Figure 1-4 Connection of power cord and grounding wire
1.9 Power On
After confirming that connection of power cord and ground wire is OK,
connection of PC and computer is OK, connection of optional part is OK, turn
on UV2600 spectrophotometer and run UV Analyst.