EasyManua.ls Logo

technetix DBE-1200S - RF Configuration Block Diagram

technetix DBE-1200S
38 pages
Print Icon
To Next Page IconTo Next Page
To Next Page IconTo Next Page
To Previous Page IconTo Previous Page
To Previous Page IconTo Previous Page
Loading...
704/2019 - EN/V9 Technetix Group Limited
Product user manual
DBE-1200S
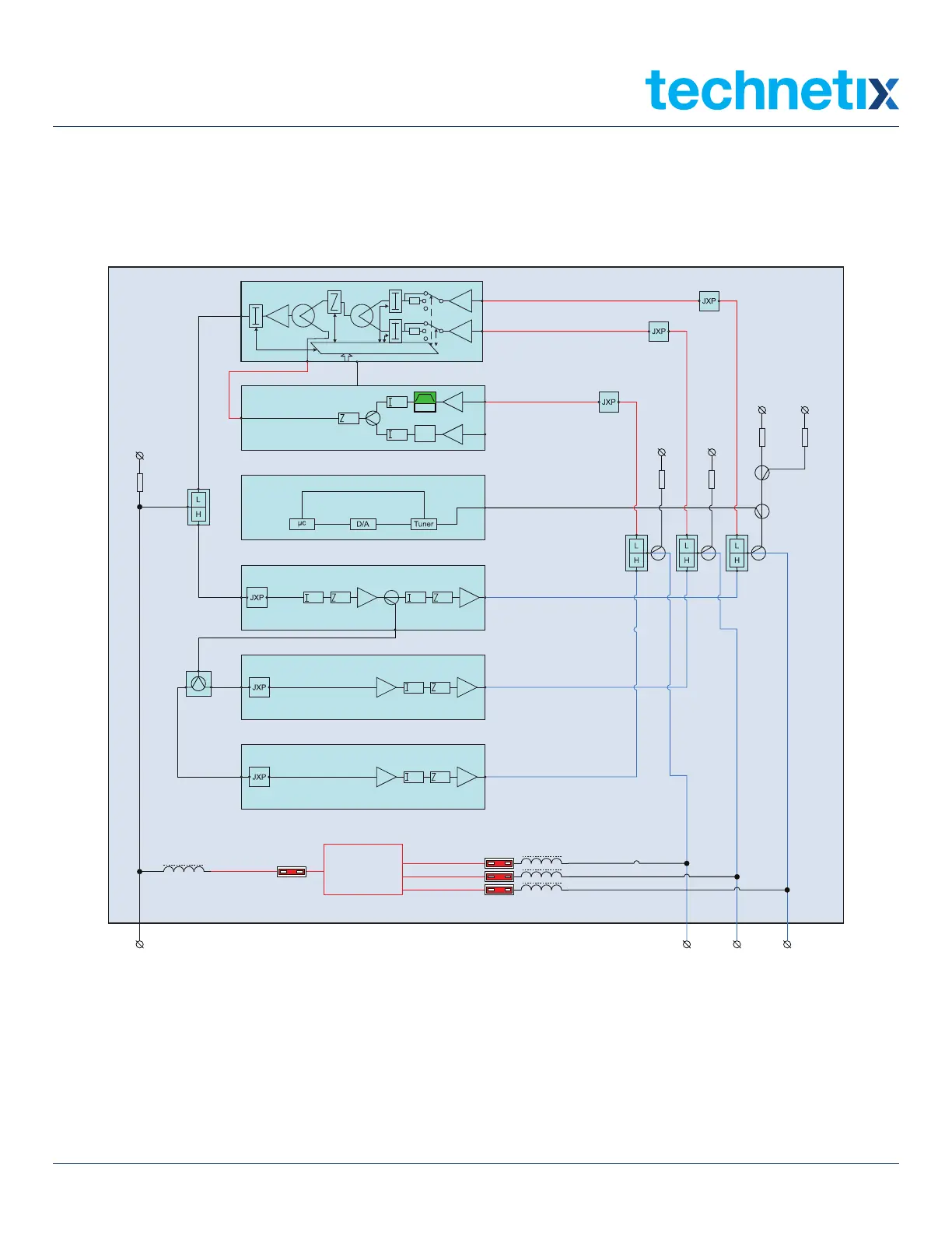
Block diagram for RF configuration
Power supply
Local power
input port
Port 2Port 3
Auto fuses
-20 dB
testpoint
Port 1
-20 dB
testpoint
-20 dB
testpoint
-20 dB
testpoint
DOCSIS
transponder
DBDCM-X-X control module
DBDS-B-x-xx downstream
DBDS-F-x-xx
DBDS-F-x-xx
DBUS-D-1
DBUS-C1 upstream module
-6dB
o
-6dB
o
Digital control
-6dB
o
-6dB
o
Digital control

Related product manuals