EasyManua.ls Logo

Technics SU-A900DM2 - Page 15

Technics SU-A900DM2
31 pages
Print Icon
To Next Page IconTo Next Page
To Next Page IconTo Next Page
To Previous Page IconTo Previous Page
To Previous Page IconTo Previous Page
Loading...
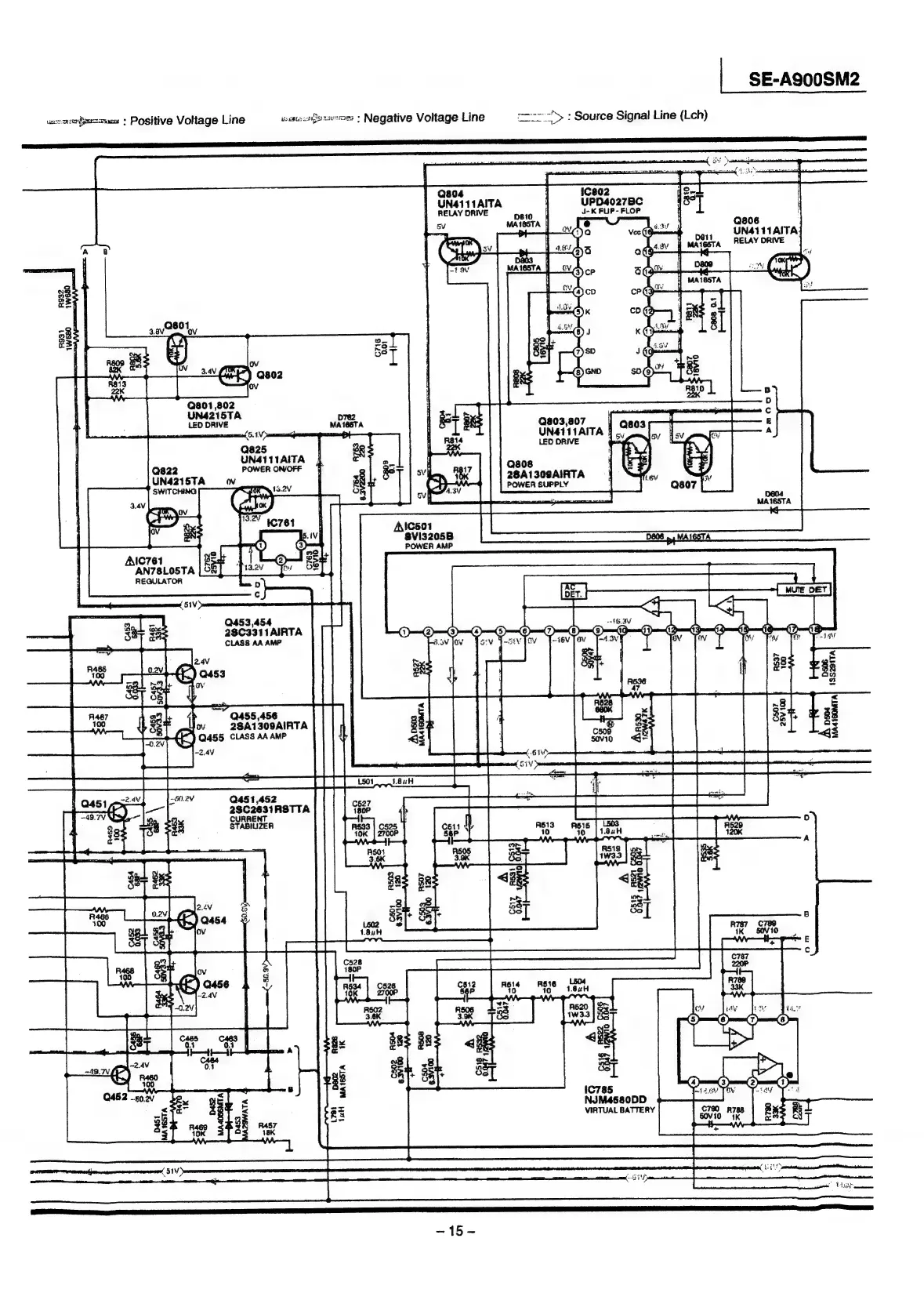
SE-AS00SM2
mgmt
ae
et
aan
corer
aware
:
Positive
Voltage
Line
wo
ate
ap
eopsroes
:
Negative
Voltage
Line
ron
a
-
Source
Signal
line
(Lh)
Q804
UN4111AITA
RELAY
DRIVE
806
:
UN4111
AITA:
RELAY
DRIVE
A
28
i
-
1
|
ak
:
*
it
3
san
f
2
we
fo)
cay
|
nes
3g
2801,
Es
2
Q801
,802
UN4215TA
LED
DRIVE
Q825
UN411TAITA
Q822
POWER
ON/OFF
aQa08
28A13098AIRTA
UN4215TA
POWER
SUPPLY
,
peo4
,
ov
MAI6STA
|
a
:
Aicee!
7
|
:
3205
-
Om
POWER
AMP
D606
..,
MAIGSTA
AIC761
af
p
Gyand
258
AN78LOSTA
nm
«=O
REGULATOR
a
,
C
SIV)
-
Q453,454
io
28C3311AIRTA
CLASS
AA
AMP
Q455,456
ov
28A1309AlIRTA
Q455
CLASS
AA
AMP
MA41G0MTA
ee
Q451,452
2SC2631RSTTA
CURRENT
STABILIZER
P
R505
3.8K
cau
AS13
16
wh
|
oe
Ras
1K
IC785
NJM4680DD
VIRTUAL
BATTERY
D802
MA
65TA
1H
L7at
=
15
=

Related product manuals