EasyManua.ls Logo

Technics SU-A900DM2 - Block Diagram

Technics SU-A900DM2
31 pages
Print Icon
To Next Page IconTo Next Page
To Next Page IconTo Next Page
To Previous Page IconTo Previous Page
To Previous Page IconTo Previous Page
Loading...
SE-A900SM2
@
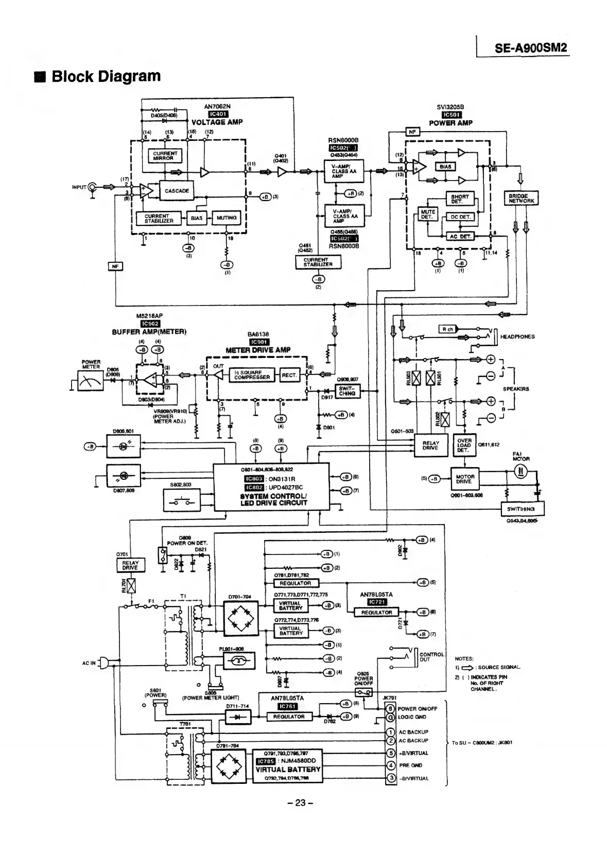
Block
Diagram
gebatay
$VI3205B
1C401
|
1C501
|
c501
VOLTAGE
AMP
POWER
AMP
(12)
7
RSN6000B
BRIDGE
NETWORK
ab
8
AMP
eerie
f
as
==
LASS
AA
A
INPUT
(Ot
cee
.
9
V—AMP/
URRENT
|
sates
bs
fmm)
=
cans
Gen
eae
ew
ene
tos
ee
ow
en)
aw
onl
O486
aa
aaa
=
gas!
|
RSNBOOOB
{3}
WT
Ce
C5)
(1)
(-B
)
(2)
M5218AP
BUFFER
AMP(METER)
SA6130
il
4)
(-8)
(+8)
METER
DRIVE
AMP
Poet
"
4
al
p>
%
SQUARE
hey
©
1
(0906)
AS
gio
8A
é
—_—
14
<}
SJ7]
comPRESSER
Sai?
re
J
:
3
§
8
=—
a
vena
T
i
eon
ETER
ADJ)
(4B
)
re
S
1D606,601
T
(4)
K
peat
a
(8)
(9)
agen
(+B)
Be
~
LOAD
|
Q611,612
(+B)
(8)
LOAL
-
MO'OR
Q801-804,606-808,822
[GETER
:
ON3131R
aa
aoe
=
:
UPD4027BC
f
pe
Eee
=
SYSTEM
CONTROL/
“oO
O-
LED
DRIVE
CIRCUIT
SWITIHING
543,104,600
0809
POWER
ON
DET.
(+B
)
(4)
Ce)
(1)
5
T
(+B
)
(2)
0781,D781,782
(+8)
(5)
Q771,773,D771,772,775
AN78LO5TA
wt
}-@e
REGULATOR
(+8
)
46)
Q772,774,0773,776
Neg
re
VIRTUAL
Q
BATTERY
(-B)
(3)
GB)
(7)
(8
)
(4)
"1
CONTROL
2)
OUT
NOTES:
tj
:
SOURCE
SIGNAL.
Ce)
owas
fica
3
"
POWER
2)
(
)
INDICATES
PIN
a
ON/OFF
_
No.
OF
RIGHT
s
S505
oO)
CHANNEL.
(PORE,
_
(POWER
METER
LIGHT)
AN7BLOSTA
ot
JK791
711-714
RA
ie
@
POWER
ON/OFF
(G)}j
Loic
GND
A
K
AC
BACKUP
1
0791-794
AC
BACKUP
To
SU
~
CR00UM2
:
JKBO1
0
Q781,783,0796,797
(5)}
+B/VIRTUAL
ag
samassopd
|
4
Q782,784,D796,788
(3)
-B/VIRTUAL
—23-

Related product manuals