EasyManua.ls Logo

Technics SX-PX554 - Page 48

Technics SX-PX554
87 pages
Print Icon
To Next Page IconTo Next Page
To Next Page IconTo Next Page
To Previous Page IconTo Previous Page
To Previous Page IconTo Previous Page
Loading...
20
19
18
17
16
15
14
13
12
AD
11
10
9
8
7
6
5
4
3
2
1
0
VSS VSS
VCC BYTE
CE
DE
AD21
15
14
13
12
11
DT
10
9
8
7
6
5
4
3
2
1
0
44
23 33
13 32
43
2
3
34
35
36
37
38
39
40
41
42
4
5
6
7
8
9
10
11
18
20
22
25
27
29
31
1
14
12
16
30
28
26
24
21
19
17
15
1 2 3 4 5 6 7 8
VCCGND
A14
A13
A12
A11
A10
A9
A8
A7
A6
A5
A4
A3
A2
A1
A0 D0
D1
D2
D3
D4
D5
D6
D7
CE
WE
DE
VCCGND
1
26
2
23
21
24
25
3
4
5
6
7
8
9
10 11
12
13
15
16
17
18
19
20
27
22
14 28
+5D
C55
0.1
H
G
F
E
D
C
B
A
H
G
F
E
D
C
B
A
O
N
M
L
K
J
I
H
G
F
E
D
C
B
A
H
G
F
E
D
C
B
A
O
N
M
L
K
J
I
A
B
C
H
G
F
E
D
C
B
A
P
O
N
M
L
K
J
I
R
Q
S
T
H
G
F
E
D
C
B
A
P
O
N
M
L
K
J
I
R
Q
S
T
H
G
F
E
D
C
B
A
P
O
N
M
L
K
J
I
H
G
F
E
D
C
B
A
P
O
N
M
L
K
J
I
20
19
18
17
16
15
14
13
12
11
10
9
8
7
6
5
4
3
2
1
0
VSS VSS
VCC BYTE
CE
DE
AD21
15
14
13
12
11
10
9
8
7
6
5
4
3
2
1
0
44
23 33
13 32
43
2
3
34
35
36
37
38
39
40
41
42
4
5
6
7
8
9
10
11
18
20
22
25
27
29
31
1
14
12
16
30
28
26
24
21
19
17
15
A14
A13
A12
A11
A10
A9
A8
A7
A6
A5
A4
A3
A2
A1
A0 D0
D1
D2
D3
D4
D5
D6
D7
CE
WE
DE
VCCGND
1
26
2
23
21
24
25
3
4
5
6
7
8
9
10 11
12
13
15
16
17
18
19
20
27
22
14 28
+5D
C48
0.1
A
B
C
C56
+5D
C57
R200 0
0.1
0.1
C51
2SC1815TPE2
R202
D32
MA1039HTR
220
0.1
+5D
R201
0
C49
+5D
C50 0.1
0.1
A
B
C
1 2 3 4 5 6 7 8
VCCGND
R210
C58
Q9
+5D +3.3
+5D
R211
A
B
C
0.001
0.001C92
E1
C95
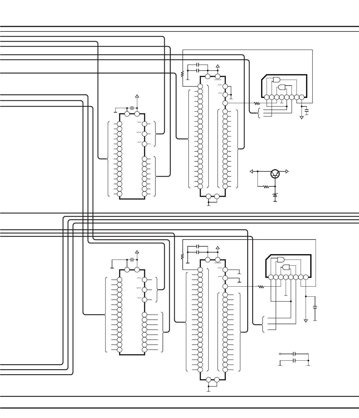
IC11
LH5P832N-10
IC12
QSIGX3C64002
IC17
LH5P832N-10
IC18
QSIGX3C64003
(64MBIT MASK ROM)
IC20
IC14
AD
DT
(256KBIT PSEUDO STATIC RAM)
(256KBIT PSEUDO STATIC RAM)
(64MBIT MASK ROM)
TC7W08FTE12L
0
0.1
0
TC7W08FTE12L
(DUAL 2-INPUT AND GATE)
(DUAL 2-INPUT AND GATE)
www.freeservicemanuals.info
09/08/2012
www.nostatech.nl
World of free manuals

Related product manuals