EasyManua.ls Logo

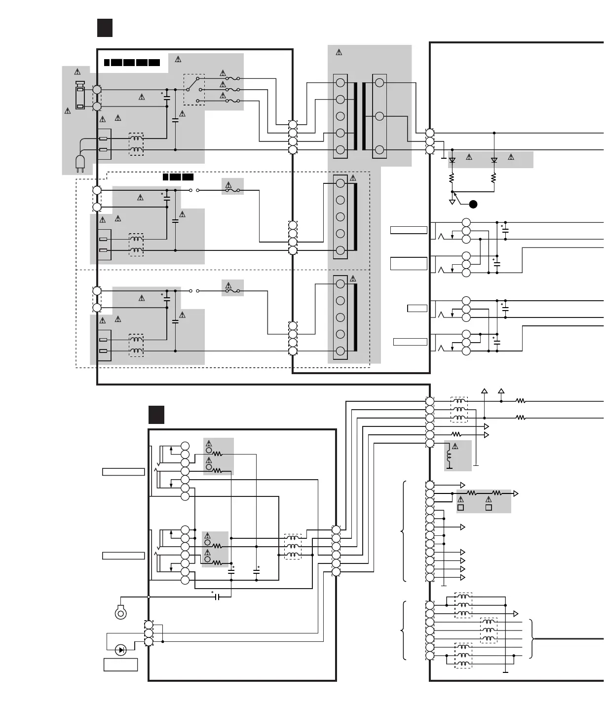
Technics SX-PX554 - FJASP CIRCUIT SCHEMATIC; HP CIRCUIT SCHEMATIC

Technics SX-PX554
87 pages
Print Icon
To Next Page IconTo Next Page
To Next Page IconTo Next Page
To Previous Page IconTo Previous Page
To Previous Page IconTo Previous Page
Loading...
2
1
CN1
SW1
JK9
L1
100uHx2
C1
SW1
QSRGT006AA
F2
CN2
4700P
4
3
2
1
1
2
3
1
2
3
4
5
6
7
8
9
10
11
12
SNS
VCC
VCC
E
E
PMUT PMUT
E
E
-15
+15
SUMR
SUML
CN5
R116
SNS
2
AC1
AC2
C2
0.1
F3
F1
T1
POWER
TRANSFORMER
BLUE
BLUE
CN3
D1
ERA1502V5
JK7
LINE OUT L
R1
10K
D2
R2
10K
C55
0.0022
C54
0.0022
SNS
BLACK
2
1
SW2
CN1
JK9
L1
C1
CN2
4700P
SW1
4
3
2
1
AC1
AC2
C2
0.1
F3
2
1
SW2
CN1
JK9
L1
C1
CN2
4700P
SW1
4
3
2
1
AC1
AC2
C2
0.1
F1JP1
T1
T1
JP2
R115
+VCC
2
-15
+15
SUMR
SUML
FJASP CIRCUIT
B
HP CIRCUIT
I
1
2
3
4
5
6
7
E
A
B
C
D
E
CN6
+5DM
R16
800MB
R17 3.3K
130uHx3
130uHx3
130uHx3
L3
L4
L5
+5D
SOFT
SOSU
SUST
MRXD
MTXD
JK8
LINE OUT R
/R+L
JK5
AUX L
JK6
AUX R/R+L
1
4
2
1
4
2
1
4
2
1
4
2
C59
0.0022
C58
0.0022
HPS
LORLOL
+15
CN4
1
2
3
4
5
6
R22
1/4W4.7
R28
1/4W4.7
L2
130uHx3
JK1
JK2
HEADPHONE2
HEADPHONE1
POWER
INDICATOR
D1
W1
SEL4214RLC05
C1
0.047
C3
0.1
C2
0.047
R4
47
1
2
3
4
5
6
CN1
CN2
1
2
3
5
4
2
3
7
8
1
5
4
2
3
7
8
1
L1
130uHx3
F
R3
47
F
R2
47
F
R1
47
F
PC1
AC
POWER
CORD
PRODUCTS FOR
XXSXTXD
XA
PRODUCTS FOR
PRODUCTS FOR OTHERS
PPCPY
F F
TO
MAIN
CN1
TO
MAIN
CN6
100uHx2
100uHx2
ERA1502V5
SNS
1
www.freeservicemanuals.info
09/08/2012
www.nostatech.nl
World of free manuals

Related product manuals