EasyManua.ls Logo

Technics SX-PX554 - Page 51

Technics SX-PX554
87 pages
Print Icon
To Next Page IconTo Next Page
To Next Page IconTo Next Page
To Previous Page IconTo Previous Page
To Previous Page IconTo Previous Page
Loading...
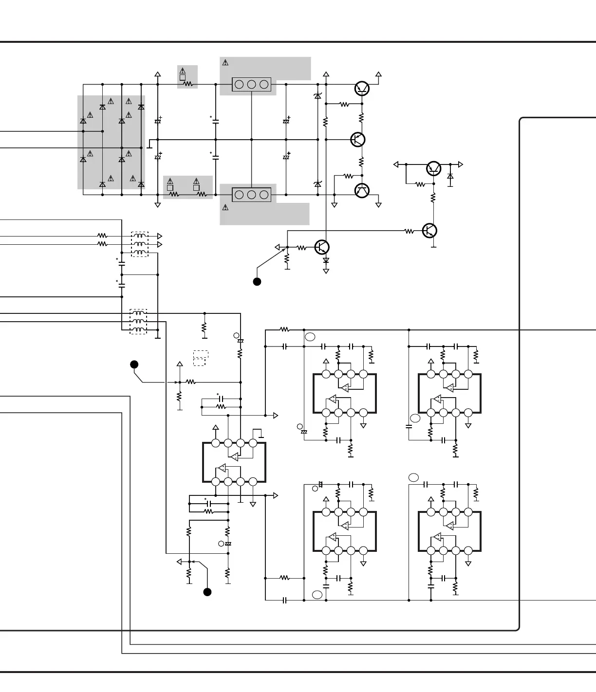
I G D
I G D
D3
C6
-VCC
+VCC
35V4700
C9
0.1
C8
0.1
C11
16V330
D11
MA4180TA
D14
EK04W
D12
MA4180TA
R12
10K
R11
+15 +15M
-15
HPS
-15M
+15HM+15
PMUT
4.7K
R15
4.7K
R13
10K
Q6
2SA1015TPE2
Q5
2SA1015TPE2
Q4
2SC1815TPE2
Q1
2SC1815TPE2
2SC1815TPE2
Q2
Q3
2SA1015TPE2
R14
10K
R10
3.3K
R9
10K
R8
47K
R7
47K
R6
100K
D15
MA165TA5
C10
16V10
R4
6.8
L7
130uHx3
L6
130uHx3
IC3
M5218AL
(MIXING)
IC5
M5218AL
R38
56K
C14
50N1
R39
6.8K
R36
22K
R35
3.3K
R37 22K
C15 220P
C4
35V4700
D6
D10
SVDGS3V20-15
D7
D3-D10
D4
D8
D5
D9
C56
0.1
C57
0.1
R99 680
R100 680
SUMR
SUML
EOINL
LOL
LOR
R5
6.8
R3
6.8
IC1
KIA7815PI
IC2
+15
-15
-VCC
+VCC
1 3 4
5678
2
-15
-15
-15
+15
+15
R33
56K
N
C12
50N1
C20
0.047
R43
1.8K
R44
270K
N
R34
R40
6.8K
R41
1K
C16
0.01
C17
0.47
C18
0.0015
R31
22K
R32 22K
C13 220P
R30
3.3K
-VCC
+VCC
1 3 4
5678
2
IC7
M5218AL
-VCC
+VCC
1 3 4
5678
2
IC6
M5218AL
(EQUALIZING)
-VCC
+VCC
1 3 4
5678
2
C33
0.0015
C32
0.47
1K
R57
R56
220K
C24
0.022
R47
1.8K
R48
220K
C19
50N1
C30
50N1
C23
0.068
R42
220K
N
R54
1.8K
C31
0.047
R55
270K
+15
R45
1K
C21
0.033
C22
0.0047
R46
180K
EOINR
R53
6.8K
C29
0.01
N
-15
+15
IC8
M5218AL
-VCC
+VCC
1 3 4
5678
2
C37
0.0047
1K
R61
R60
180K
C34
0.068
R58
1.8K
C35
0.022
R59
220K
C36
0.033
F
F F
(+15 VOLTAGE REGULATOR)
KIA7915PI
(-15 VOLTAGE REGULATOR)
TF
(EQUALIZING)
(EQUALIZING)
(EQUALIZING)
6.8K OTHERS
6.8 X,XS,XT,XD
TF
TF
TF
PMUT
2
SUML
3
SUMR
4
www.freeservicemanuals.info
09/08/2012
www.nostatech.nl
World of free manuals

Related product manuals