EasyManua.ls Logo

TECO FM501P2-X - Page 26

TECO FM501P2-X
68 pages
Print Icon
To Next Page IconTo Next Page
To Next Page IconTo Next Page
To Previous Page IconTo Previous Page
To Previous Page IconTo Previous Page
Loading...
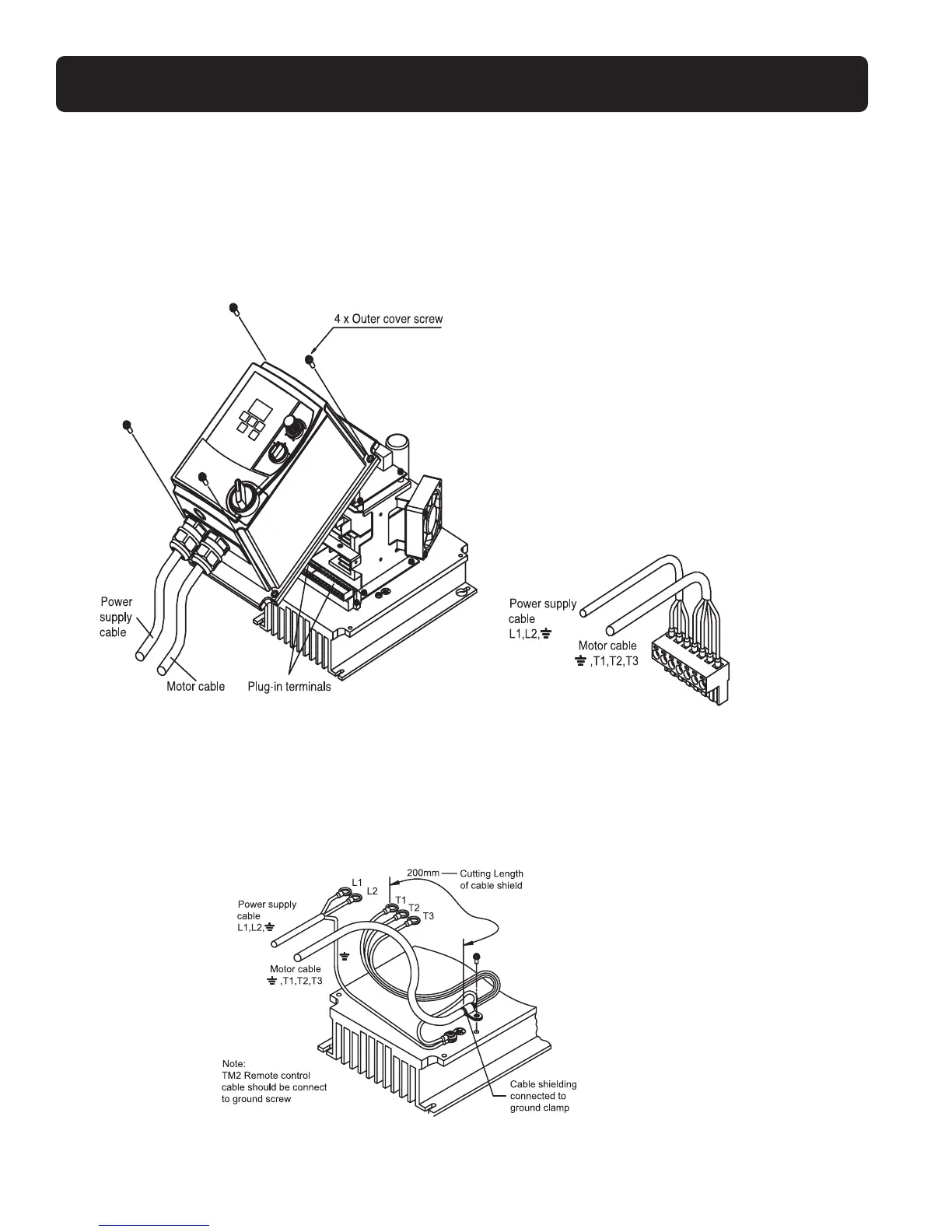
CONNECTION
FM50 NEMA 4X (IP65 Indoor Duty) with operators (115V, 230V, 1/4 - 1HP models)
MOUNTING
26
FLUXMASTER 50 INSTRUCTION MANUAL