EasyManua.ls Logo

Tecsis F2301 - Page 39

Tecsis F2301
Print Icon
To Next Page IconTo Next Page
To Next Page IconTo Next Page
To Previous Page IconTo Previous Page
To Previous Page IconTo Previous Page
Loading...
Betriebsanleitung/Operating manual
F2301/F23C1/F23S1
www.tecsis.de BD_BE_912 c 39
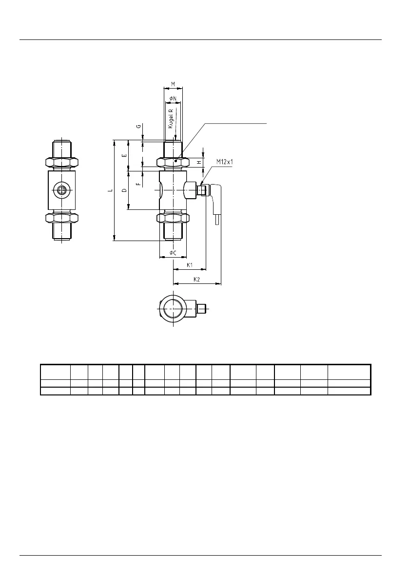
All dimensions in mm
Nom.
force
C
D
E
F
G
H
K1
K2
K3
L
M
N-
0,1
Bowl
R
M
A
(Nm)
Nominal de-
flection
50 kN
35
50
40
5
2
12
43
62
66
130
M24x2
20
150
500
< 0.5
100 kN
54
54
68
10
3
19.5
44
64
68
190
M39x3
34
200
2500
< 0.5
Version
> 50 kN
Counter nut MA see table

Table of Contents