EasyManua.ls Logo

Tektronix 2467B - Page 405

Tektronix 2467B
536 pages
Print Icon
To Next Page IconTo Next Page
To Next Page IconTo Next Page
To Previous Page IconTo Previous Page
To Previous Page IconTo Previous Page
Loading...
2465B/2467B Service
FRONT-PANEL
CONTROLS
FRONT-PANEL
INDICATORS
ROW,
COL,
AND ANALOG
SIGNALS
LED DATA
ANALOG
AND
DIGITAL
CONTROLS
>
CH
4 IN O-
CH
3 IN
CH
2 IN
CH
1 IN
LOW-VOLTAGE
POWER
SUPPLY
TO
ALL
CIRCUITS
I
CD (CONTROL DATA)
AT AND
AV
REFERENCE VOLTAGES
MPU
ROM
MPU
BUS
2U
RAM
7
CH
3
AND
CH
4
PREAMP
<3>
AUXILIARY
CONTROL
REGISTER
<$>
CH
3
GAIN
CH
4
GAIN
CH
4 SIG
CH
3 SIG
CH
4
TRIG
PICKOFF
CH
3
TRI6
PICKOFF
BWL
CH 2 OUT
CH 2
ATTENUATOR
AND
MAG LATCH
RELAYS
<J>
All
v
CH 2
PREAMP
CD
CH 1
ATTENUATOR
AND
MAG LATCH
RELAYS
A12
<*>
CH
1
PREAMP
CD
LINE
(60 HZ)
CNTL1
HORIZONTAL OUT (X)
CNTL2
CH2
OUT
CO
READOUT
0
READOUT
REQUEST
CD—i
READOUT
VERTICAL
OUT
VERTICAL
CHANNEL
SWITCH
<$>
READOUT HORIZONTAL
OUT
DELAY LINE
78ns
BWL
READOUT
ACKNOWLEDGE
DISPLAY
SEQUENCER
3>
ihTI
!
LA.
TRACE
SEP
HORIZONTAL SELECTS
INT CONTROL
HOLDOFF
A GATE
DLY SELECT
DLY SWP
HOLDOFF
GATE
B GATE
N*
A TRIG.
TRIGGERS
i CD—»-
N/
I'
P
A
SWEEP
B SATE
A DELAY GATE
CD
■*—m
DELAY
GATE
SWITCH
<*>
A DELAY GATE
B TRIG
CD-
B
SWEEP
<$>
A GATE
A
DLY
6ATE
B GATE
CNTL1
A
SWEEP
B
DLY
GATE
B SWEEP
HIGH-VOLTAGE
POWER SUPPLY
VERTICAL
AMPLIFIER
fh
VERT
SIG
-1KV (2467B)
+14KV (2465B)
+15KV (2467B)
-1.9KV
READOUT SELECT
EXT
Z IN
Z-AXIS
AMPLIFIER
-2KV
'2
CRT
DC
RESTORER
SWEEP
AND
MEASUREMENT
LOGIC
<e>
Z-AXIS
OUT
A GATE
B GATE
HORIZONTAL
AMPLIFIER
HORIZ
SI6
a,
2467B
MCP BIAS
AMPLIFIER
6863-34
m
r-
O
O
g
>
O
>
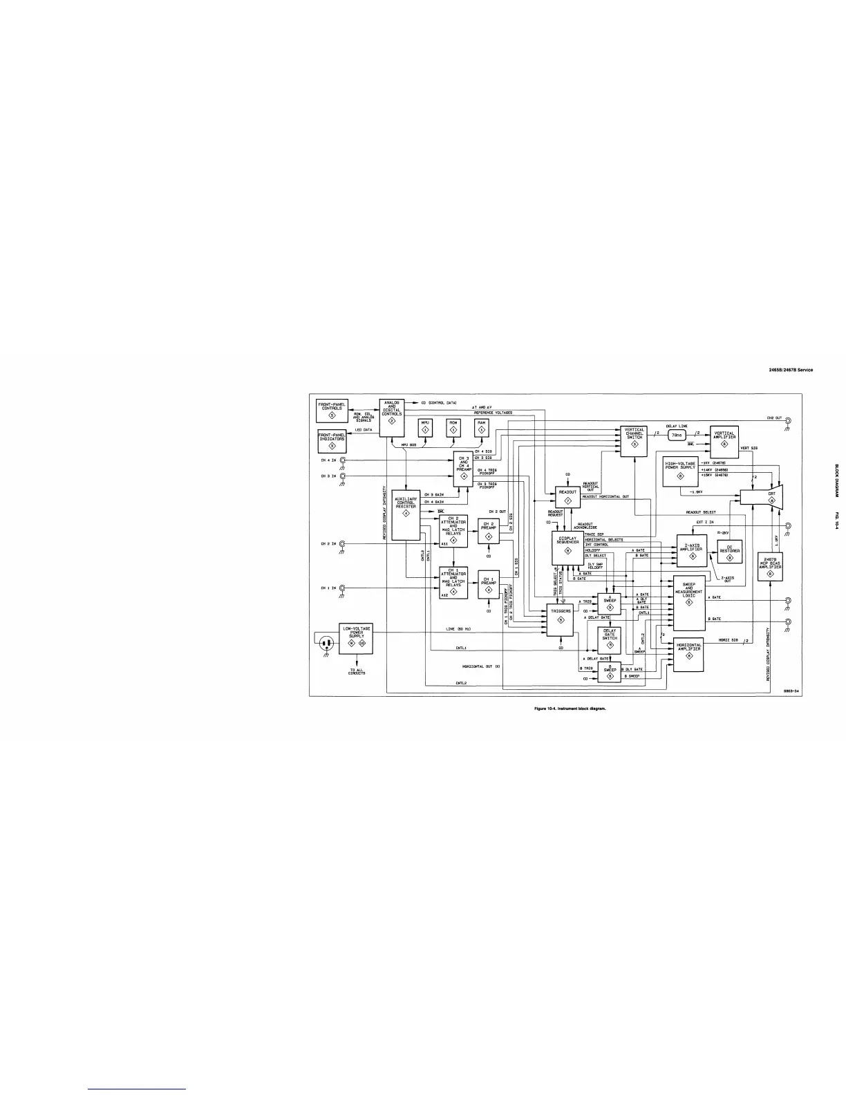
Figure 10-4. Instrument block diagram.

Table of Contents

Related product manuals