EasyManua.ls Logo

Tektronix 7834 - Page 94

Tektronix 7834
134 pages
Print Icon
To Next Page IconTo Next Page
To Next Page IconTo Next Page
To Previous Page IconTo Previous Page
To Previous Page IconTo Previous Page
Loading...
Theory
of
Operation-7834
2
O
F
U
w
J
W
W
¢¢
w0
¢W
=W
UO
ri
n
m
77
7
77
2
O
F
J
W
X
W
O
F>QJ
¢
0
F0¢
WONO¢
OQyF
F-OZFF
MO
O
wZ
f0
O
W
O
F
QJ
¢
¢
W W
u
W
0
¢
W
J
FQ¢
7
UW
W
W>f
¢0Q
F
J
Q
F
FQ
1
Z!2
0
0
XONJ
w0
a
¢=Q
F
¢
WZ
F
O
QF
QO
Sd
U
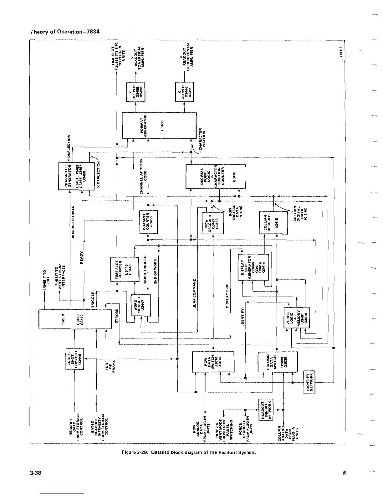
Figure 3-
29
.
Detailed
block
diagram
of
the
Readout
System
.
F
X
7F¢
Om0
¢
2
2O
2
2OQf-w
F
JQQ¢mz
O20
.J7
UQ
a
>Y
F~
2
W
W
O
Z

Table of Contents

Other manuals for Tektronix 7834

Related product manuals