EasyManua.ls Logo

Tektronix TDS7104 - To Use the Front Panel

Tektronix TDS7104
23 pages
Print Icon
To Next Page IconTo Next Page
To Next Page IconTo Next Page
To Previous Page IconTo Previous Page
To Previous Page IconTo Previous Page
Loading...
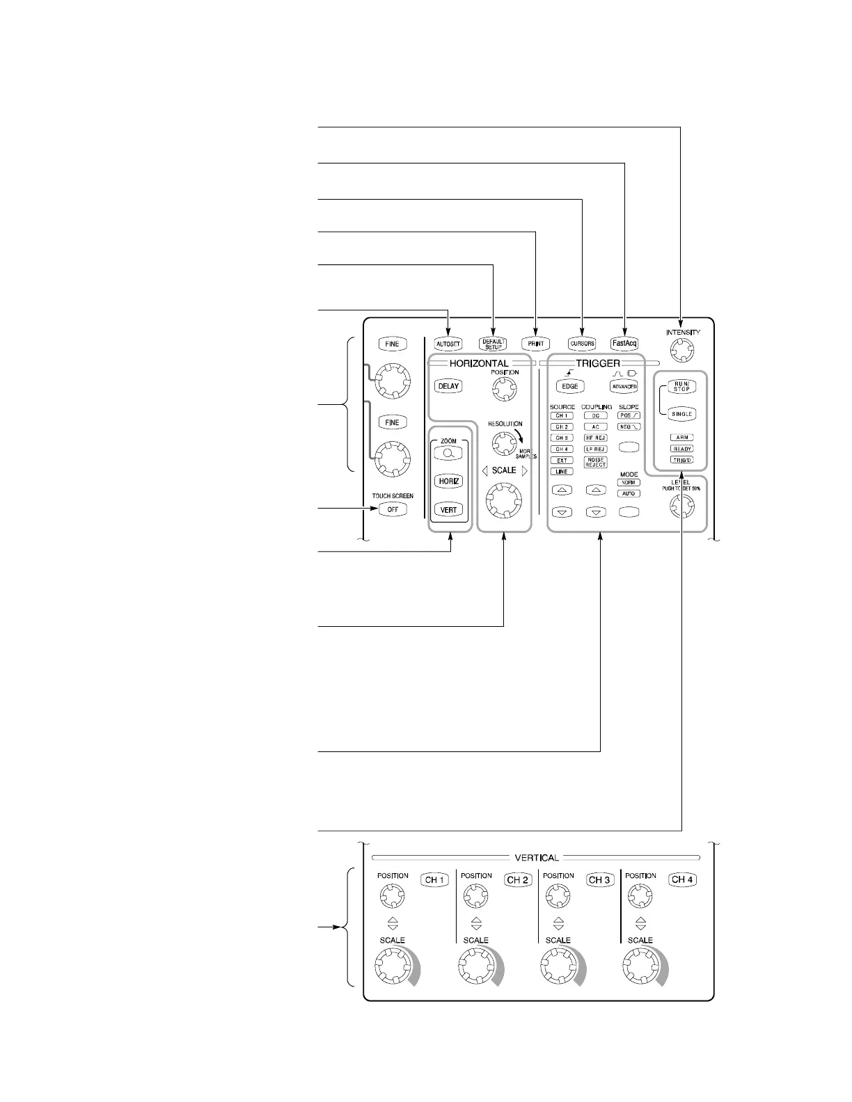
To Use the Front Panel
You can use the dedicated front-panel knobs and buttons to do the most commonly performed operations.
Use the multipurpose knobs to control
parameters sel ected f rom the screen interface.
Push a
FINE button to make small changes with
a multi purpose knob.
Turn channel displays on and off, and adjust the
channel
POSITION and SCALE using dedicated
knobs and buttons.
Use these buttons t o start and stop
acquisition or start a single acquisiti on
sequence. The ARM, READY, and TRIG’D
lights show the acquisition status.
Push
AUTOSET to quickly set the vertical,
horizontal , and trigger controls for a
usable display.
Push to turn the touch screen on and off.
Push
DEFAULT SETUP to return settings to the
default values.
Push
PRINT to make a hard copy.
Push
FastAcq to turn Fast Acquisition on and
off (CSA7000 and TDS7000 Series only).
Push
ZOOM to add a m agnifi ed gratic ule t o the
display. Push the HORIZ or VERT button to
select the axis that you want to magnify.
Use these knobs and buttons t o set horizontal
SCALE and POSITION for the waveforms. Push
DELAY to turn on horizontal delay, and then
use POSITION to set the delay time. Adjust
RESOLUTION to change the number of
acquired points i n the waveform.
Use these knobs and buttons t o set the basic
trigger paramet ers. Push
ADVANCED to display
a menu of additional trigger functions.
Copyright E Tektronix, Inc. Beaverton, OR 97077
Push CURSORS to turn cursors on and off.
Turn INTENSITY to adjust waveform intensity.

Other manuals for Tektronix TDS7104

Related product manuals