EasyManua.ls Logo

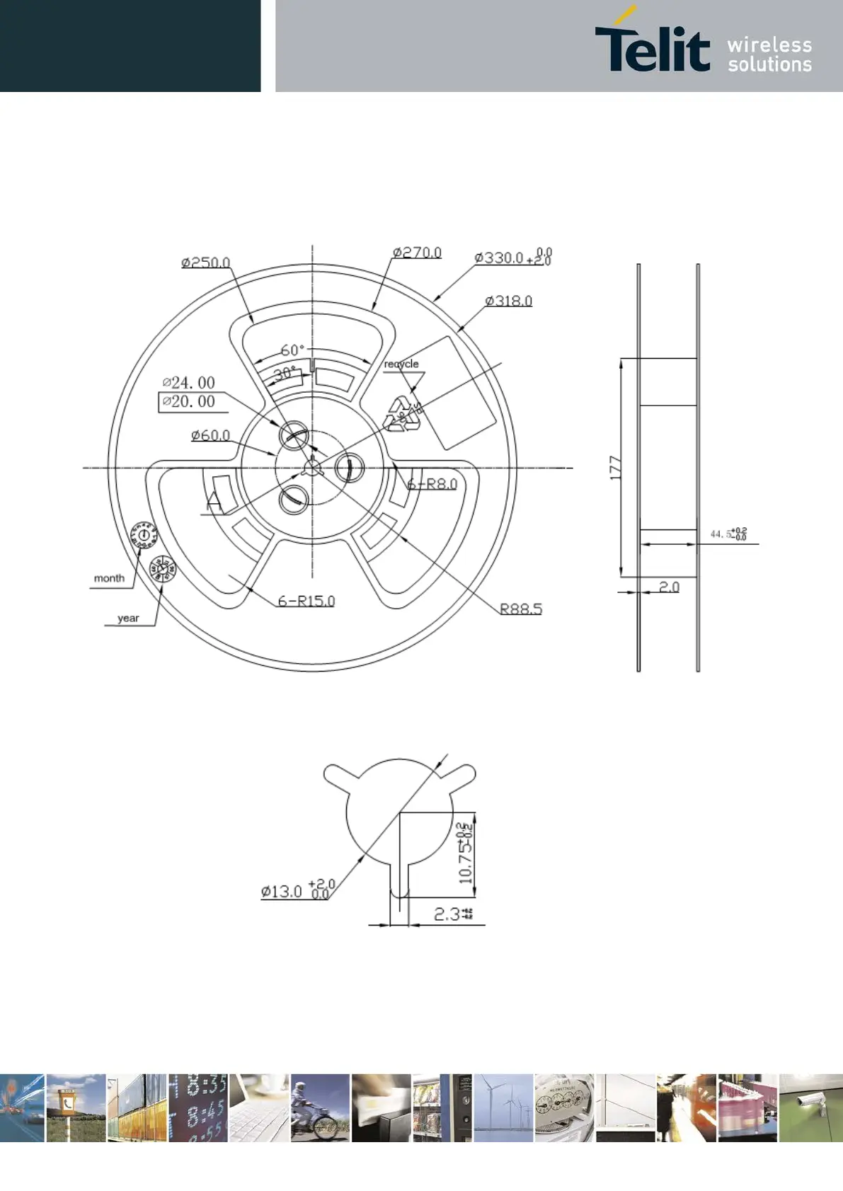
Telit Wireless Solutions LE910Cx - Figure 33: Reel Detail

Telit Wireless Solutions LE910Cx
117 pages
Print Icon
To Next Page IconTo Next Page
To Next Page IconTo Next Page
To Previous Page IconTo Previous Page
To Previous Page IconTo Previous Page
Loading...
LE910Cx Hardware User Guide
1VV0301298 Rev. 1.05 - 2017-06-18
Reproduction forbidden without written authorization by Telit Communications S.p.A. - All Rights Reserved
Telit Confidential Information, provided under NDA Page
110 of 117
Figure 33: Reel Detail

Table of Contents

Related product manuals