EasyManua.ls Logo

Telit Wireless Solutions LE910Cx - Block Diagram; Figure 1: Le910 Cx Block Diagram

Telit Wireless Solutions LE910Cx
117 pages
Print Icon
To Next Page IconTo Next Page
To Next Page IconTo Next Page
To Previous Page IconTo Previous Page
To Previous Page IconTo Previous Page
Loading...
LE910Cx Hardware User Guide
1VV0301298 Rev. 1.05 - 2017-06-18
Reproduction forbidden without written authorization by Telit Communications S.p.A. - All Rights Reserved
Telit Confidential Information, provided under NDA Page
21 of 117
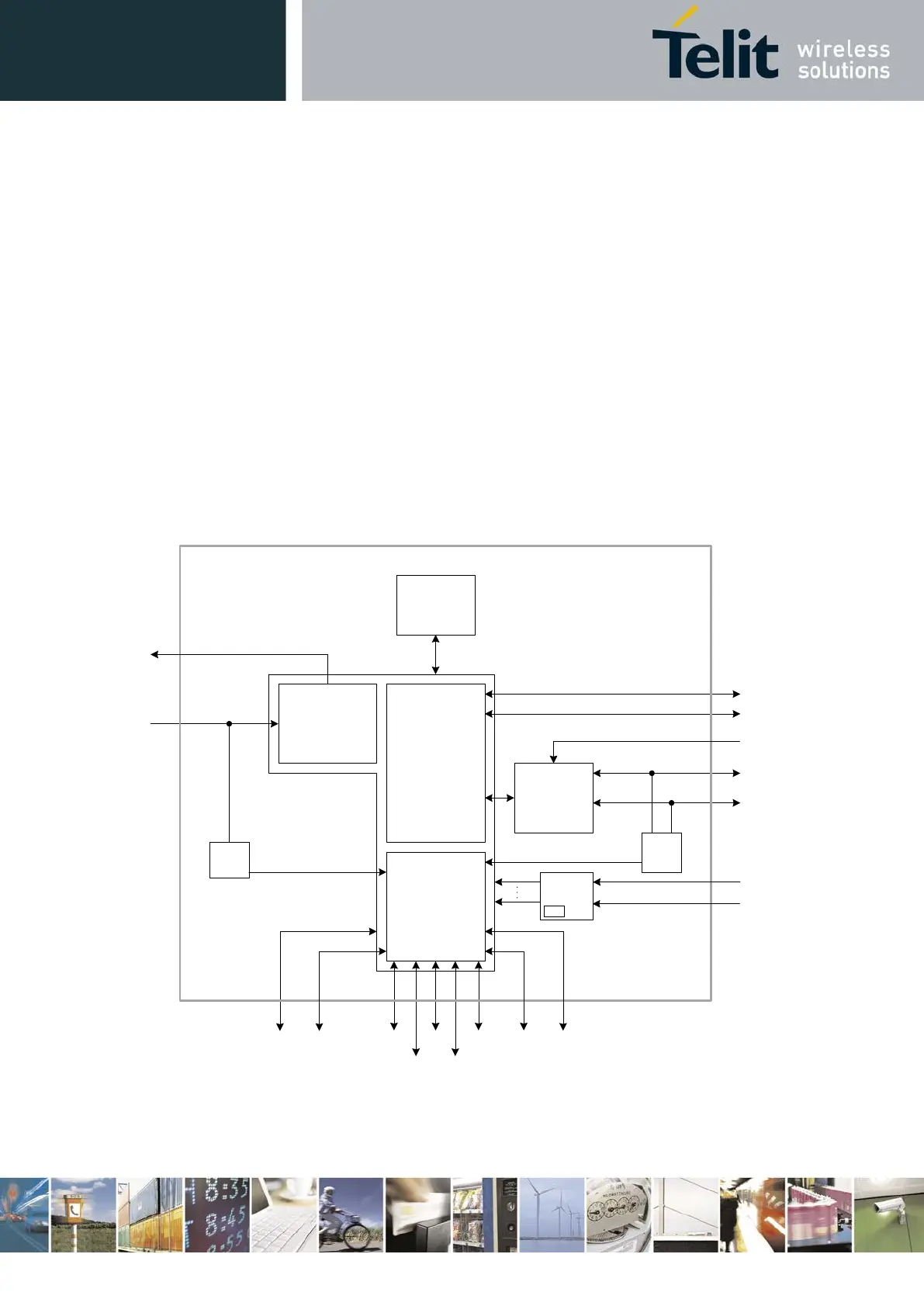
2.4. Block Diagram
Figure 1 shows an overview of the internal architecture of the LE910Cx module.
It includes the following sub-functions:
Application processor, Modem subsystem and Location processing with their external
interfaces. These three functions are contained in a single SOC.
RF front end, including antenna diagnosis circuitry
Analog Audio codec for attaching external speaker amplifier and microphone
Rich IO interfaces. Depending on which LE910Cx software features are enabled, some of its
interfaces that are exported due to multiplexing may be used internally and thus may not
be usable by the application.
PMIC with the RTC function inside
Figure 1: LE910Cx Block Diagram
ANT
DIAG
MEMORIES
RF
FRONTEND
GNSS Antennna
GPIO
Cellular antenna 1
Cellular antenna 2
PCM In/out
SIM
GNSS_Sync
APPLICATION
PROCESSOR
MODEM
LOCATION
HSICI2C
ANT
DIAG
USB2.0SGMIISPI
UART
JTAG
2xSDIO
PMIC
VBATT
ADC
VBATT_PA
RTC

Table of Contents

Related product manuals