EasyManua.ls Logo

Thermaflow TH12 - Page 18

Default Icon
32 pages
Print Icon
To Next Page IconTo Next Page
To Next Page IconTo Next Page
To Previous Page IconTo Previous Page
To Previous Page IconTo Previous Page
Loading...
THERMAL INNOVATIONS (UK) LTD | THERMAFLOW® ELECTRIC COMBINATION BOILER | Tel: 0870 850 5207
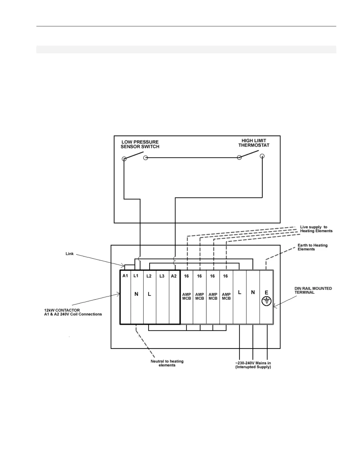
2.6.2
The mains supply into the enclosure marked
No 21 on the boiler diagram should be wired to the 24HR
supply via 3 Amp fused isolating switch located at the boiler,
ref. diagram 2.6.2a.
Diagram 2.6.2a
18

Table of Contents