EasyManua.ls Logo

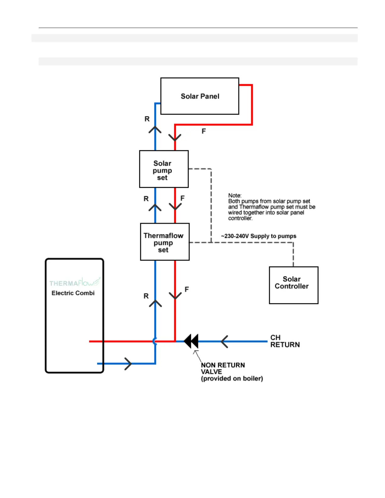
Thermaflow TH12 - Appendix I - Solar Connection; A1.1 Solar Pipework Schematic

Default Icon
32 pages
Print Icon
To Next Page IconTo Next Page
To Next Page IconTo Next Page
To Previous Page IconTo Previous Page
To Previous Page IconTo Previous Page
Loading...
THERMAL INNOVATIONS (UK) LTD | THERMAFLOW® ELECTRIC COMBINATION BOILER | Tel: 0870 850 5207
APPENDIX I – SOLAR CONNECTION
A1.1 Solar Pipe work Schematic
31

Table of Contents