EasyManua.ls Logo

Thermaflow TH12 - External Controls

Default Icon
32 pages
Print Icon
To Next Page IconTo Next Page
To Next Page IconTo Next Page
To Previous Page IconTo Previous Page
To Previous Page IconTo Previous Page
Loading...
THERMAL INNOVATIONS (UK) LTD | THERMAFLOW® ELECTRIC COMBINATION BOILER | Tel: 0870 850 5207
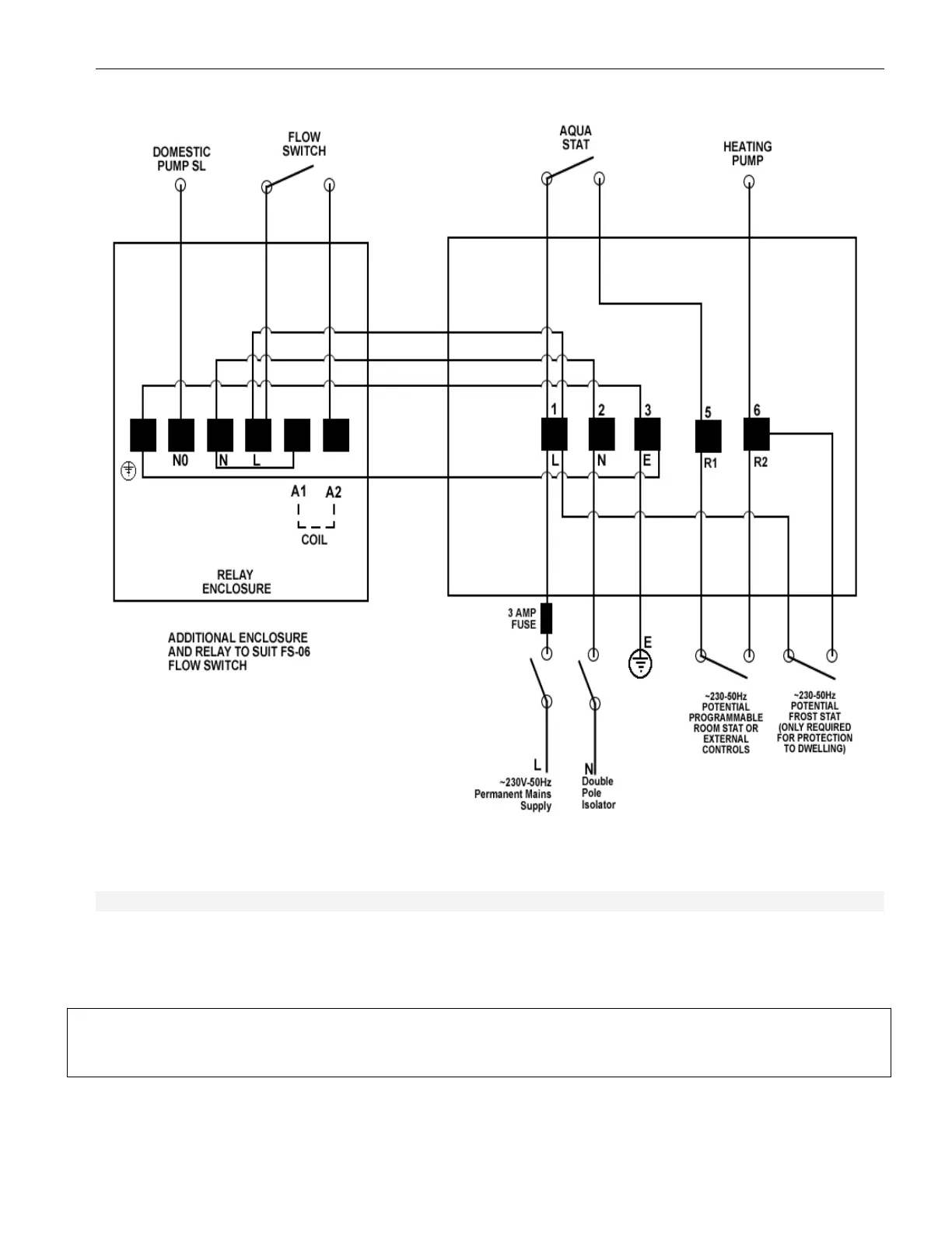
Diagram 2.6.2b
2.6.3 External Controls
External heating controls should be connected to the terminals marked R1 & R2 shown in
diagram
2.6.2b
. All external controls should be connected to terminals marked R1 & R2 in the enclosure marked
No 22 in the boiler schematic diagram 1.8.1.
WARNING: ALL EXTERNAL CONTROLS MUST NOT BE TAKEN FROM ANY OTHER
POWER SUPPLY OTHER THAN VIA THE
3 AMP FUSED ISOLATING SWITCH MENTIONED ABOVE.
19

Table of Contents