EasyManua.ls Logo

Thermal Dynamics CutMaster 38 - APPENDIX 3: SYSTEM SCHEMATIC

Thermal Dynamics CutMaster 38
51 pages
Print Icon
To Next Page IconTo Next Page
To Next Page IconTo Next Page
To Previous Page IconTo Previous Page
To Previous Page IconTo Previous Page
Loading...
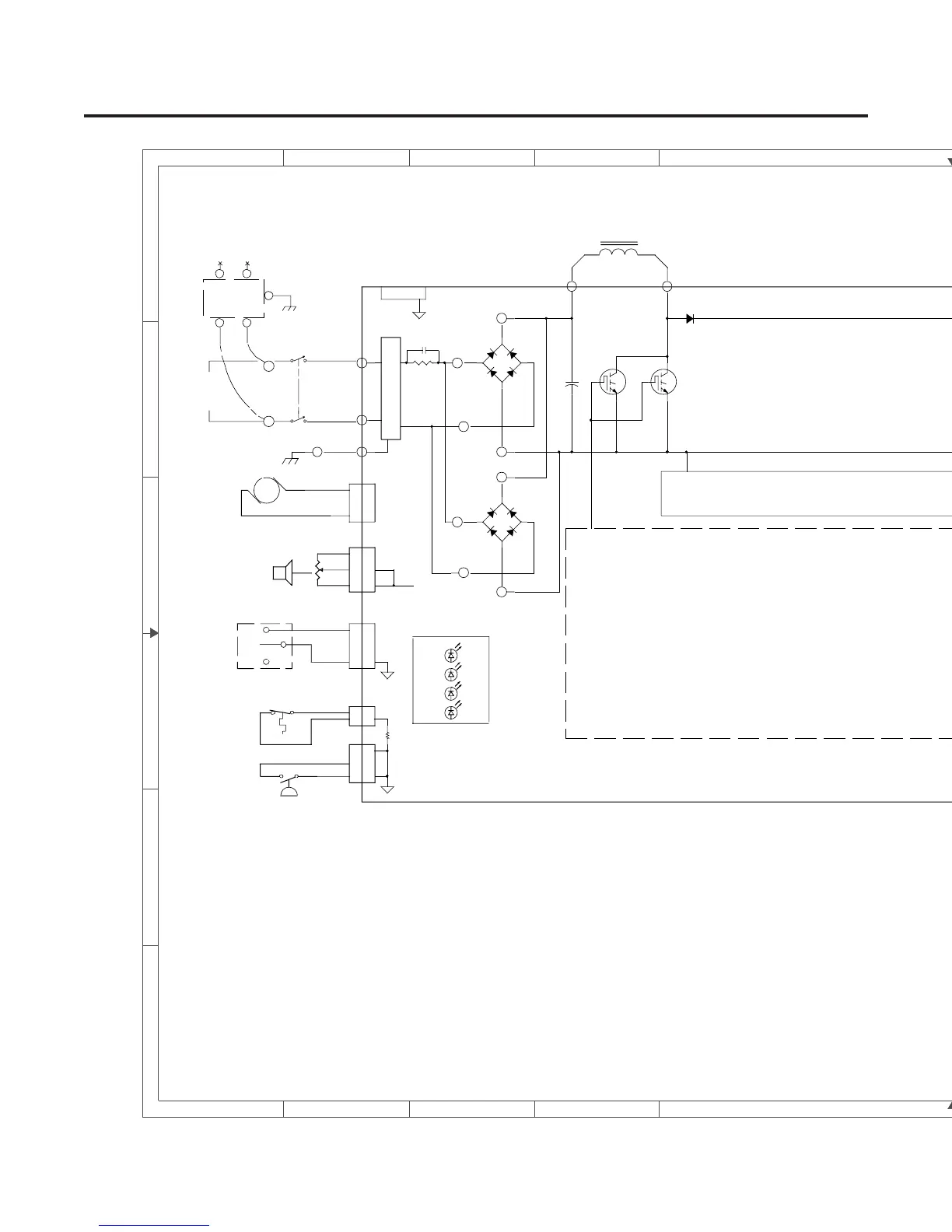
APPENDIX A-4 Manual 0-2888
1
1
2
2
3
3
4
4
A
B
C
D
E
F
AC
3
CURRENT
CONTROL
1
2
1
MAIN PCB ASSEMBLY
1
2
J5
2
1
P5
GAS
1
3
DC
FAN1
1
2
P4
TEMP
J4
2
2
M1
CURRENT ADJUST
20 - 30
RED
BLACK
19X1773
TS1
OVER-TEMP
FILTERING
PFC INDUCTOR
T1
BIAS
CONVERTER
LOGIC AND CONTROL
CIRCUITRY
PS1
PRESSURE SW
3
1
P6
3
1
J6
2
CW
P9 J9
D13
D16
D19
D7
SW2
RUN
SET
1
2
J2
3
2
3
1
P2
BR2
PANEL INDICATOR
(5)
(6)
(7)
(8)
(9)
(10)
(11)
ZERO
1
4
J7
TEST
K1
12VDC
+
NORMALLY CLOSED
TEST POINTS:
TP1 LOGIC COMMON
TP2 SHORT TO TP23 TO DISABLE BIAS SUPPLY
TP6 SHORT TO TP24 TO DISABLE POWER
FACTOR CORRECTION
TP8 SHORT TO TP26 TO DISABLE SHORTED
TORCH PROTECTION
(E14A)
(E16A)
(E15A)
(E12A)
(E16B)
(E12B)
(E14B)
1
2
3
4
2
3
BR1
4
1
E16A
Q8
-+
E14A
E15A
E12B
E13
E16B
E1
STUD
Q7
E11
-+
E15B
E2
D47
E14B
E12A
E18
A-03405
CAUTION: SOME PORTIONS OF THE CONTROL/
LOGIC CIRCUITRY ARE CONNECTED TO THE
INPUT LINE. CONNECTION TO A GROUNDED
INSTRUMENT COULD CAUSE A SHOCK
HAZARD OR DESTROY THE POWER SUPPLY.
ACCESS BY AN AUTHORIZED TECHNICIAN ONLY.
SW1
(E1)
SW1
120/208/230V
INPUT
50/60HZ
(E2)
L1
INPUT 230V ONLY
CHASSIS GND
EMC
FILTER
CE ONLY
2
(E15B)
APPENDIX 3: SYSTEM SCHEMATIC

Related product manuals