EasyManua.ls Logo

Thermal Dynamics PakMaster XLPLUS 50 - Page 73

Thermal Dynamics PakMaster XLPLUS 50
74 pages
Print Icon
To Next Page IconTo Next Page
To Next Page IconTo Next Page
To Previous Page IconTo Previous Page
To Previous Page IconTo Previous Page
Loading...
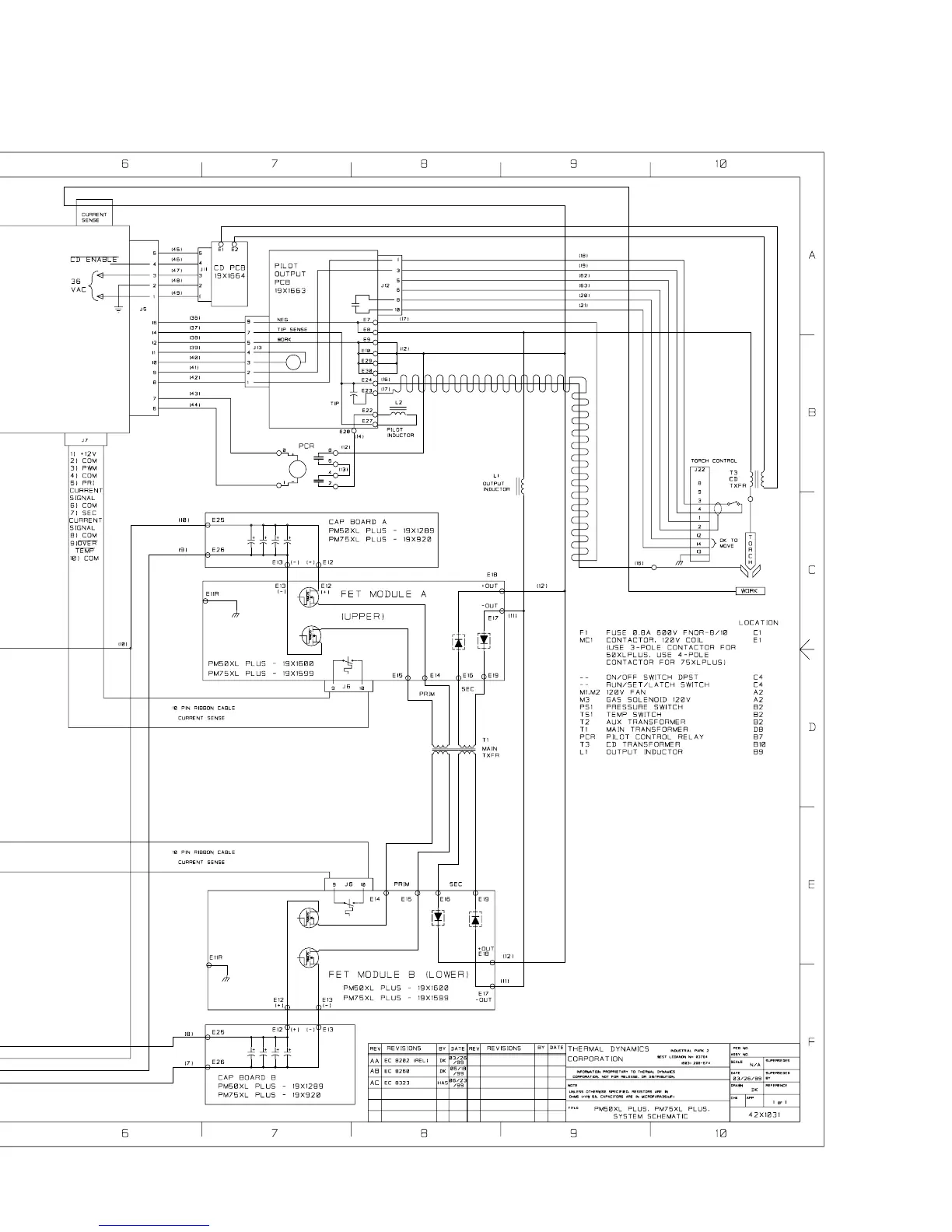
Manual 0-2745 67 APPENDIX
A-02503
OK
OK TO
MOVE
8/11/99

Table of Contents

Related product manuals