EasyManua.ls Logo

Thermal Dynamics PakMaster XLPLUS 50 - Appendix XI: System Schematic

Thermal Dynamics PakMaster XLPLUS 50
74 pages
Print Icon
To Next Page IconTo Next Page
To Next Page IconTo Next Page
To Previous Page IconTo Previous Page
To Previous Page IconTo Previous Page
Loading...
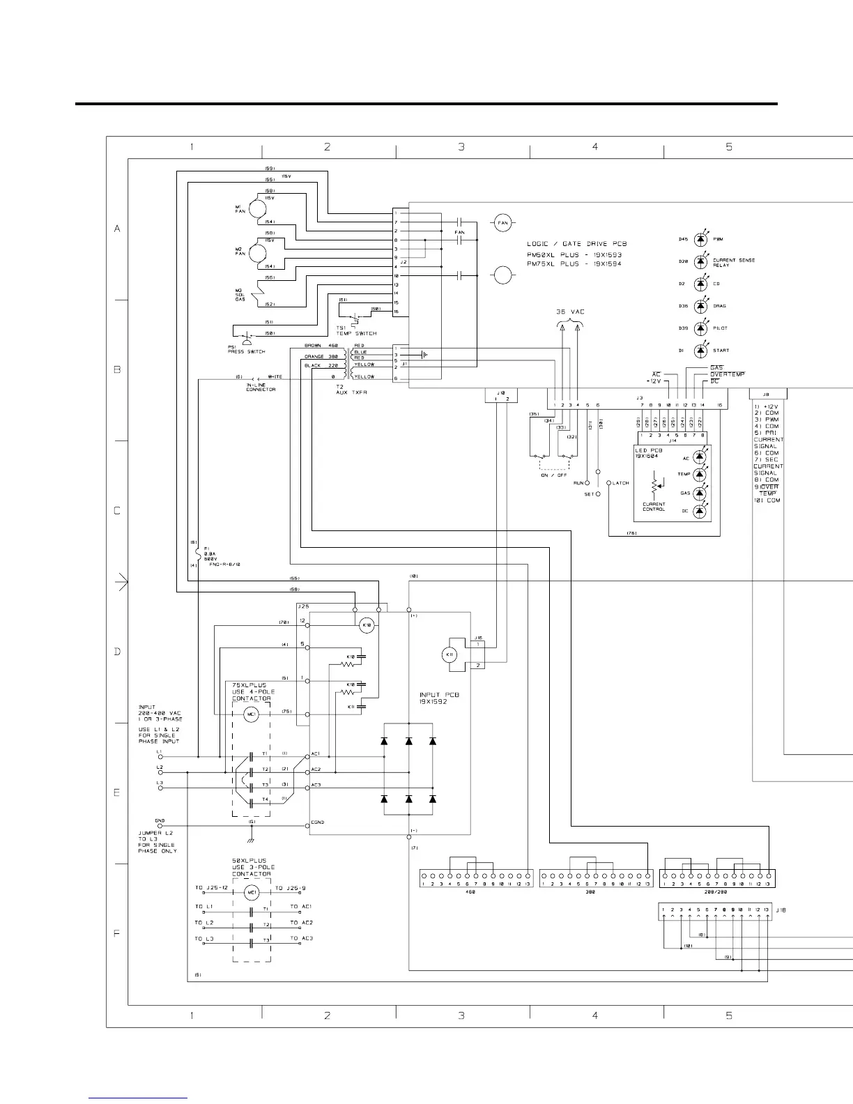
APPENDIX 66 Manual 0-2745
APPENDIX XI: SYSTEM SCHEMATIC
A-02503
9
13 16
J21
J20
J19
GAS
SOL
GAS
INRUSH
INRUSH

Table of Contents

Related product manuals