EasyManua.ls Logo

Thermann TH160GLG - Hot Water Flow & Return Applications

Thermann TH160GLG
36 pages
Print Icon
To Next Page IconTo Next Page
To Next Page IconTo Next Page
To Previous Page IconTo Previous Page
To Previous Page IconTo Previous Page
Loading...
Thermann Installer's Manual
Thermann X Split Heat Pump
8
HOT WATER FLOW & RETURN
APPLICATIONS
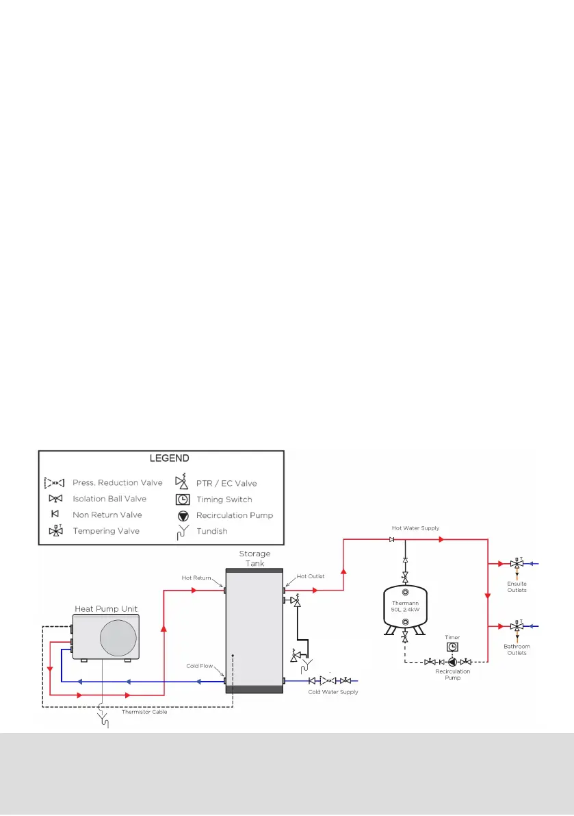
The Thermann X Split Heat Pump is not suitable to be installed as a standalone installation
within a circulated hot water flow & return system (ring main) in a domestic hot water
heating application.
If a circulated flow and return system is being used, it is necessary to install a secondary
water heater (buffer tank) supplied from the heat pump water heater. The flow and return
lines connect to the secondary water heater, not the heat pump storage tank. The
secondary water heater makes up for the pipe heat loss in the flow and return system and
must be able to provide a hot water outlet temperature at a minimum of 60°C and cannot
return to the secondary water heater less than 55°C.
Note: The thermostat or preset outlet temperature of the secondary water heater must
always be set to maintain a temperature at a minimum of 60°C in the hot water flow and
return line, including making up pipe heat losses in the system.
Refer to the Installation Layout diagram shown below on how this is installed.
Note: Minimise the length of pipe work connecting the heat pump storage tank hot water
outlet to the circulated hot water flow line to reduce the amount of dead water in the hot
water system.

Related product manuals