EasyManua.ls Logo

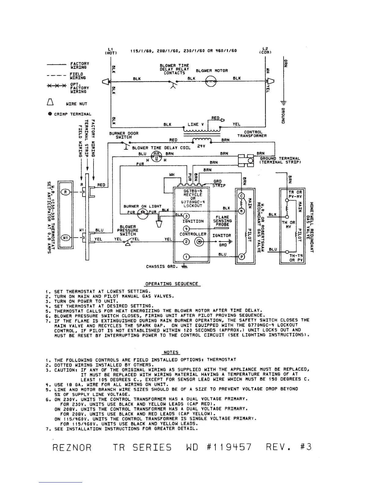
Thomas & Betts TR - WIRING DIAGRAM AND OPERATING SEQUENCE; Wiring Diagram; Operating Sequence

Default Icon
24 pages
Print Icon
To Next Page IconTo Next Page
To Next Page IconTo Next Page
To Previous Page IconTo Previous Page
To Previous Page IconTo Previous Page
Loading...
Form RZ-NA-I-TR, Page 20
WIRING DIAGRAM