EasyManua.ls Logo

Thomas NOMARK 65/99 - Functional Principle of the Stud Welding System

Thomas NOMARK 65/99
75 pages
Print Icon
To Next Page IconTo Next Page
To Next Page IconTo Next Page
To Previous Page IconTo Previous Page
To Previous Page IconTo Previous Page
Loading...
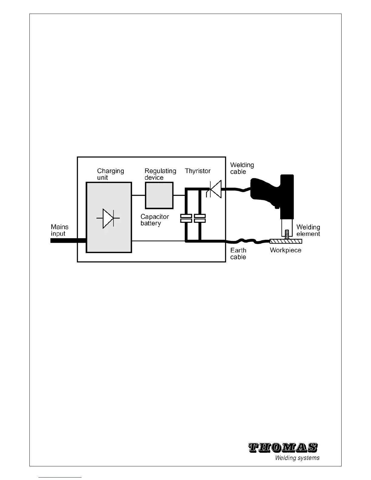
1.3 Functional principle of the stud welding system
Stud welding systems are used to weld metal welding studs (e.g.
threaded studs) on to weldable metal workpiece surfaces.
The power unit NOMARK 65/99 is a mobile welding unit developed by
THOMAS that sets new standards in stud welding technology with
its compact construction.
It works by the principle of capacitor discharge.
Together with a manually equipped welding gun of the type C0 (contact
welding gun) , it can weld normal welding studs with ignition tips.
The welding energy required is delivered by the power unit, which
charges a capacitor battery via a regulator circuit. The welding
current is then activated by a power SCR. The electric circuit is
closed by the welding gun, stud, workpiece and earth cable.
Fig. 1 - 2 Functional principle of the electric control system
7