EasyManua.ls Logo

Thomas ZIP 22 - Page 26

Thomas ZIP 22
35 pages
Print Icon
To Next Page IconTo Next Page
To Next Page IconTo Next Page
To Previous Page IconTo Previous Page
To Previous Page IconTo Previous Page
Loading...
25
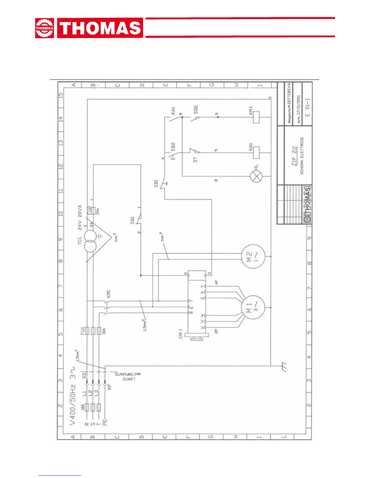
ZIP 22
LIST OF ELECTRIC COMPONENTS
ZIP 22 - Three-phase 400 Volt 50Hz. Drw E01-1. dd 17/11/2011.
Ref. Description Technical Data Qty Make Code
FU1 Fuse Cartridge 3 Pole 32A 600V 1 Weber PCH 3X38
Fuse, Line Protection FUS CH 10X38 12AGG 3 Weber CH10X38 10A AM
FU2 Fuse Cartridge 1 Pole 32A 600V 1 Weber PCH 1X38
Fuse, Aux. Protection FUS CH 10X38 1 600V 1 Weber CH10X38 1A AM
TC1 Transformer 20VA OUT 24 V 1 METH P 330/400 S0-24
C.M. Pole Commutator 16A 690V 1 Giovenzana P01606360S009
KM1 Remote Switch 9A NO 24VAC 1 A.B. 100-K09KJ10
FR1 Thermal Relay, Motor Protection 3,5 - 4,8A 1 A.B. 193-KB48
KA Aux. Relay 1 CONTACT 250V 10A +base 1 FINDER ART 403180024 VAC
- Base, Finder Relay for FINDER Relay 1 FINDER ART. 40-9563
HL1 Pilot Light 2W BAS 9 1 REER 30V 2Watt
SB1 Emergency Push-Button with Lock 1 A.B. 800 FP-MT 44
- Base of Push-Button D.22 1 A.B. 800F-ALP
- N.C. Contact 10A 600V 1 A.B. 800F-X01
SQ1 Micro-switch, sawframe protection 6A 250V. 1 LOVATO KB N2 L02PV155
SQ2 Micro-switch, Gripswitch 4A 250V. 1 CROUZET E.F. 83161.1
M1 Motor, Blade Drive kW 0,55-1 1400/2800 rpm 1 JIUHDAH
M2 Motor, Electropump kW 0,05 H85 single-phase 1 SAP 2 poles
X1 Terminals, connection Section 2,5 3 CONTACLIP 1574 2
Plastic Box, Elettrocablaggi 230E0097/10 1 STANPLAST
Film, Control Panel 220X0181 1 Tecnotarghe 220X0181
Box, Electric Components Elettrocablaggi 1 TIPO D.SPECIAL

Table of Contents

Related product manuals