EasyManua.ls Logo

Thytronic NA30 - Page 65

Thytronic NA30
237 pages
Print Icon
To Next Page IconTo Next Page
To Next Page IconTo Next Page
To Previous Page IconTo Previous Page
To Previous Page IconTo Previous Page
Loading...
FUNCTION CHARACTERISTICS
65
NA30 - Manual - 04 - 2022
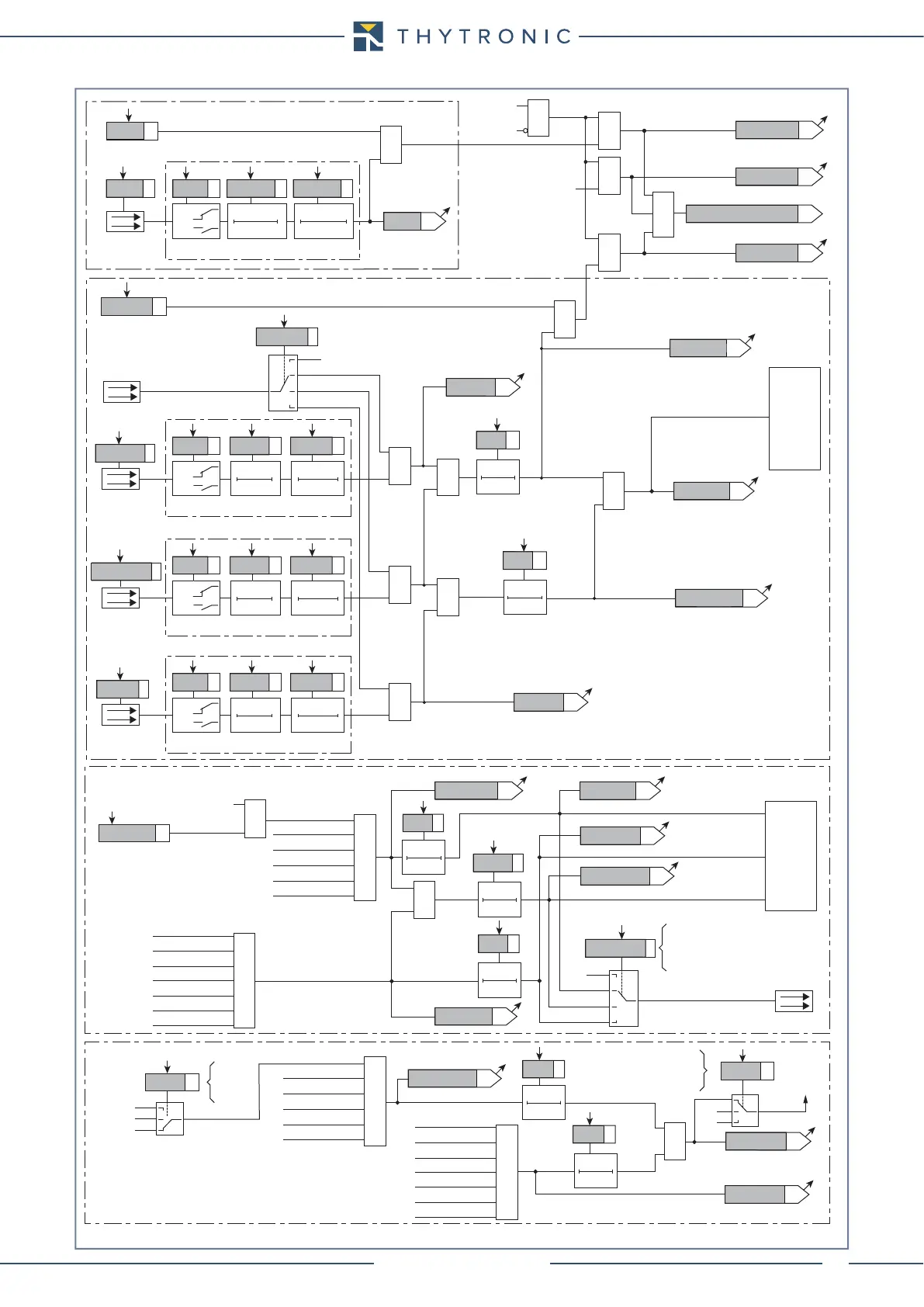
Phase overcurrent (50/51) - Logic diagram of the blocking signals concerning the first element (I>)
Pilot wire output
TRIPPING MATRIX
(LED+RELAYS)
ModeBLOUT1
A
B
C
D
BLOUT1
Block2 output
1
t
F-IPh
t
F-IPh/IE
t
F-IE
ST-Iph BLK2
ST-IE BLK2
&
Block2 output
(ONEnable)
I>BLK2OUT
Start I>
1
T 0
t
F-IPh/IE
T 0
t
F-IPh
T 0
t
F-IE
I> Block2 OUT
BLK2OUT-Iph
BLK2OUT-Iph/IE
BLK2OUT-IE
A = OFF
B = ON IPh
C = ON IPh/IE
D = ON IE
BLK2OUT-IPh-K
BLK2OUT-IPh-L
BLK2OUT-IPh/IE-K
BLK2OUT-IPh/IE-L
BLK2OUT-IE-K
BLK2OUT-IE-L
Binary input INx (x=1,...5)
T 0
Logic
INx
t
ON
INx
t
ON
INx
t
OFF
T0
n.o.
n.c.
INx
t
OFF
Binary input INx (x=1,2)
T 0
Logic
INx
t
ON
INx
t
ON
INx
t
OFF
T0
n.o.
n.c.
INx
t
OFF
Binary input INx (x=1,...5)
T 0
Logic
INx
t
ON
INx
t
ON
INx
t
OFF
T0
n.o.
n.c.
INx
t
OFF
Binary input INx (x=1,...5)
T 0
Logic
INx
t
ON
INx
t
ON
INx
t
OFF
T0
n.o.
n.c.
INx
t
OFF
Block2 IPh
Block2 IPh/IE
ModeBLIN1
T 0
t
B-Iph
50-51S1_BL-diagram.ai
1
1
1
1
t
B-Iph
t
FI-Iph
t
B-IE
BLK1I>
BLK4IN I>
&
&
&
BLK2IN I>
&
&
Enable (ONEnable)
I>BLK1
Block2 input enable (ONEnable)
Pilot wire input
&
I>BLK2IN
Block1
BLK2IN-Iph
Start I>
Trip I>
ST-IE BLK4
ST-Iph BLK4
Iph Block2
IE Block2
Block4 enable
BLK2IN-IE
tB timeout
Block2 input
tB-K
tB-L
Block1
FROM EARTH FAULT PROTECTIONS
FROM ANY PROTECTIONS
OFF
ON IPh
ON IPh/IE
ON IE
BLIN1
1
1
t
FI-IE
Block4 OUT
1
T 0
t
FI-Iph
T 0
t
FI-IE
I>> Block4 I/O
I> Block4 I/O
I> Block4 OUT
Block4
Block4
I>>> Block4 I/O
DthAL1 Block4 I/O
DthAL2 Block4 I/O
Dth Block4 I/O
I>> Block2 OUT
I>>> Block2 OUT
DthAL1 Block2 OUT
DthAL2 Block2 OUT
Dth Block2 OUT
I
E
>> Block4 I/O
I
E
> Block4 I/O
I
E
>>> Block4 I/O
I
ED
>> Block4 I/O
I
ED
> Block4 I/O
I
ED
>>> Block4 I/O
I
ED
>>>> Block4 I/O
1
I
E
>> Block2 OUT
I
E
> Block2 OUT
I
E
>>> Block2 OUT
I
ED
>> Block2 OUT
I
ED
> Block2 OUT
I
ED
>>> Block2 OUT
I
ED
>>>> Block2 OUT
Block4
Block1
T 0
t
B-IE
Block2 IE
1
Block1, Block2, Block4
TRIPPING MATRIX
(LED+RELAYS)
1
1
A = IN
B = OFF
C = OUT
A = IN
B = OFF
C = OUT
I>BLK4
Start I>
C
B
A
“0”
“0”
B
C
“0”
“0”
I>BLK4
A

Table of Contents

Related product manuals