EasyManua.ls Logo

Thytronic NA30 - Page 66

Thytronic NA30
237 pages
Print Icon
To Next Page IconTo Next Page
To Next Page IconTo Next Page
To Previous Page IconTo Previous Page
To Previous Page IconTo Previous Page
Loading...
FUNCTION CHARACTERISTICS
66
NA30 - Manual - 04 - 2022
Fun_50-51S2.ai
t
>>RES
T0
RESET
t
>>
0T
1
t
>>def
t
>>inv
t
>>RES
Start I>>
Trip I>>
CB-State
Start I
2ndh>
ONInhibit (from I>>> overcurrent element)
ONEnable I>> overcurrent element
I>> inhibition
Block1, Block2, Block4
I>>TR-K
I>>TR-L
I>>ST-L
I>>ST-K
T 0
t
CLP>>
&
&
2nd harmonic restraint enable (ONEnable)
I>>2ndh-REST
ICLP>>Mode
t
CLP
>>
BF Enable (ONEnable)
I>>BF
towards BF logic
I>> BF
&
Trip I>>
TRIPPING MATRIX
(LED+RELAYS)
I>> Curve
0T
A
B
C
Output t
CLP>>
I>> Enable
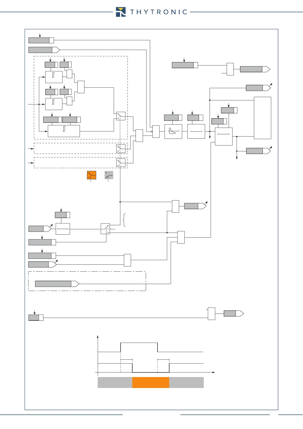
I>> overcurrent element (50/51) Block diagram
t
CLP>>
CB State CB OPEN CB CLOSED CB OPEN
Output t
CLP
>
>
t
0.1 s
HIGH THRESHOLD/
BLOCK
LOW THRESHOLD/
UNBLOCK
HIGH THRESHOLD/
BLOCK
A = ON - Change setting
B = OFF
C = ON - Element blocking
&
(ON
Inhibit
)
Start I>>
I> inhibition
I> disbyl>>
1
CLP I>>
I
L1
I
L2
1
1
(Pickup within CLP)
(Pickup outside CLP)
I
CLP
>>def
I
CLP
>>inv
I
L1
I>>
A =“1”A =“0 or OFF”
I
L3
&
State
I>>
inv
I
L1
I>>
def
I
L1
I>>
inv
I>>
def
&
State
Phase overcurrent (50/51) - Second element logic diagram (I>>)

Table of Contents

Related product manuals