EasyManua.ls Logo

Thytronic NA30 - Page 77

Thytronic NA30
237 pages
Print Icon
To Next Page IconTo Next Page
To Next Page IconTo Next Page
To Previous Page IconTo Previous Page
To Previous Page IconTo Previous Page
Loading...
FUNCTION CHARACTERISTICS
77
NA30 - Manual - 04 - 2022
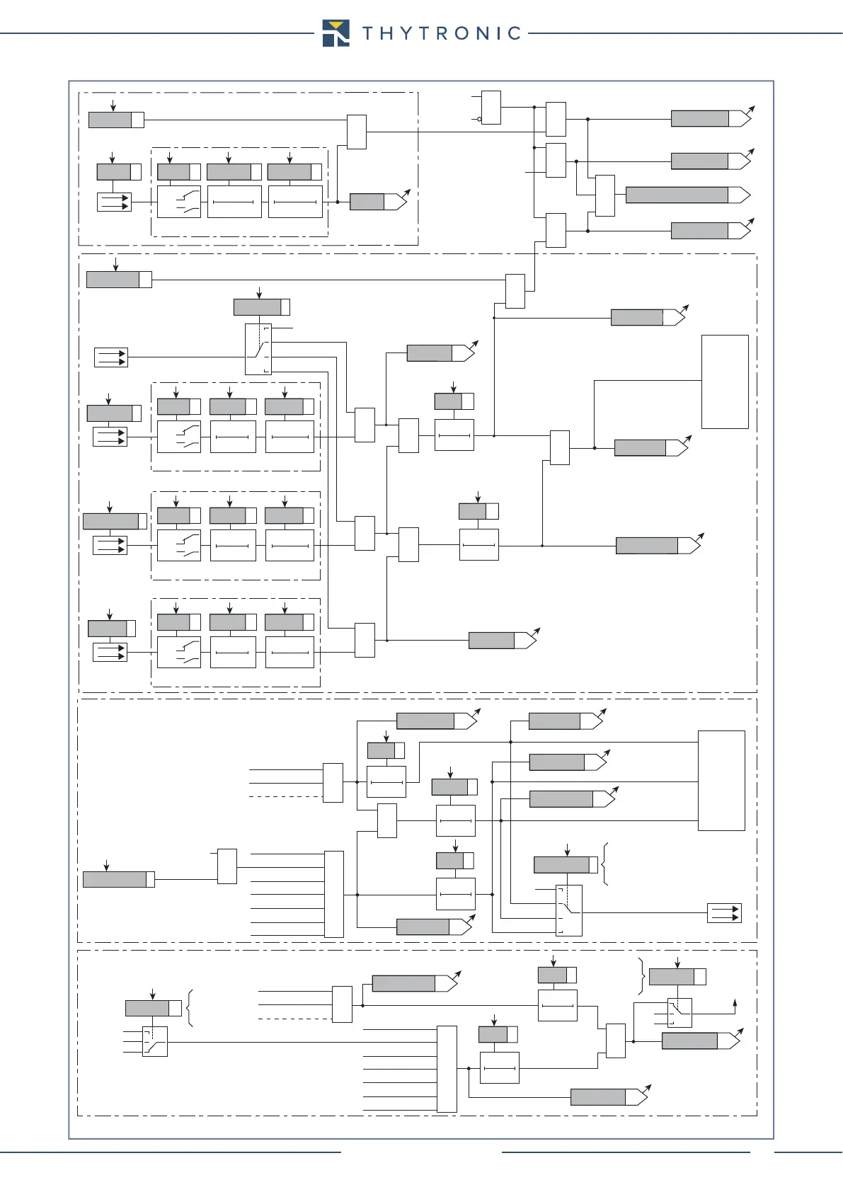
Residual overcurrent (50N/51N) - Logic diagram of the blocking signals concerning the second element (IE>>)
IE>>BLK1
Start I
E
>>
Start I
E
>>
Start I
E
>>
Trip I
E
>>
Pilot wire output
TRIPPING MATRIX
(LED+RELAYS)
ModeBLOUT1
A
B
C
D
BLOUT1
Block2 output
1
t
F-IPh
t
F-IPh/IE
t
F-IE
ST-Iph BLK2
ST-IE BLK2
&
Block2 output
(ONEnable)
IE>>BLK2OUT
T 0
t
F-IPh/IE
T 0
t
F-IPh
T 0
t
F-IE
BLK2OUT-Iph
BLK2OUT-Iph/IE
BLK2OUT-IE
A = OFF
B = ON IPh
C = ON IPh/IE
D = ON IE
BLK2OUT-IPh-K
BLK2OUT-IPh-L
BLK2OUT-IPh/IE-K
BLK2OUT-IPh/IE-L
BLK2OUT-IE-K
BLK2OUT-IE-L
Binary input INx (x=1,...5)
T 0
Logic
INx
t
ON
INx
t
ON
INx
t
OFF
T0
n.o.
n.c.
INx
t
OFF
Binary input INx (x=1,...5)
T 0
Logic
INx
t
ON
INx
t
ON
INx
t
OFF
T0
n.o.
n.c.
INx
t
OFF
Binary input INx (x=1,...5)
T 0
Logic
INx
t
ON
INx
t
ON
INx
t
OFF
T0
n.o.
n.c.
INx
t
OFF
Binary input INx (x=1,...5)
T 0
Logic
INx
t
ON
INx
t
ON
INx
t
OFF
T0
n.o.
n.c.
INx
t
OFF
Block2 IPh
Block2 IPh/IE
ModeBLIN1
T 0
t
B-Iph
50N-51NS2_BL-diagram.ai
1
1
1
1
t
B-Iph
t
FI-Iph
t
B-IE
BLK1IE>>
BLK4IN IE>>
&
&
&
BLK2IN IE>>
&
&
Enable (ONEnable)
Block2 input enable (ONEnable)
Pilot wire input
&
IE>>BLK2IN
Block1
BLK2IN-Iph
ST-IE BLK4
ST-Iph BLK4
Iph Block2
IE Block2
Block4 enable
BLK2IN-IE
tB timeout
Block2 input
tB-K
tB-L
Block1
FROM EARTH FAULT PROTECTIONS
FROM ANY PROTECTIONS
OFF
ON IPh
ON IPh/IE
ON IE
BLIN1
1
1
t
FI-IE
Block4 OUT
1
T 0
t
FI-Iph
T 0
t
FI-IE
I>> Block4 I/O
I> Block4 I/O
I
E
>> Block4 OUT
Block4
Block4
Phase elements
1
I>> Block4 I/O
I> Block4 I/O
Phase elements
I
E
>> Block4 I/O
I
E
> Block4 I/O
I
E
>>> Block4 I/O
I
ED
>> Block4 I/O
I
ED
> Block4 I/O
I
ED
>>> Block4 I/O
I
ED
>>>> Block4 I/O
1
I
E
>> Block2 OUT
I
E
> Block2 OUT
I
E
>>> Block2 OUT
I
ED
>> Block2 OUT
I
ED
> Block2 OUT
I
ED
>>> Block2 OUT
I
ED
>>>> Block2 OUT
Block4
Block1
T 0
t
B-IE
Block2 IE
1
Block1, Block2, Block4
TRIPPING MATRIX
(LED+RELAYS)
1
1
A = IN
B = OFF
C = OUT
A = IN
B = OFF
C = OUT
IE>>BLK4
C
B
A
“0”
“0”
B
C
“0”
“0”
IE>>BLK4
A

Table of Contents

Related product manuals