EasyManua.ls Logo

Toro 30856 - Schematics

Toro 30856
56 pages
Print Icon
To Next Page IconTo Next Page
To Next Page IconTo Next Page
To Previous Page IconTo Previous Page
To Previous Page IconTo Previous Page
Loading...
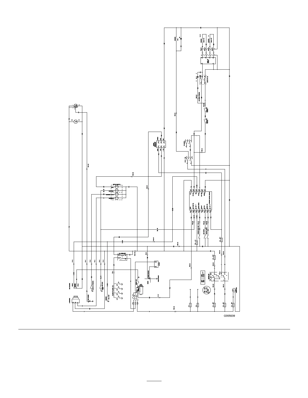
Schematics
(Rev.C)
49

Table of Contents

Other manuals for Toro 30856

Related product manuals