EasyManua.ls Logo

Toro 74656 - Schematics

Toro 74656
60 pages
Print Icon
To Next Page IconTo Next Page
To Next Page IconTo Next Page
To Previous Page IconTo Previous Page
To Previous Page IconTo Previous Page
Loading...
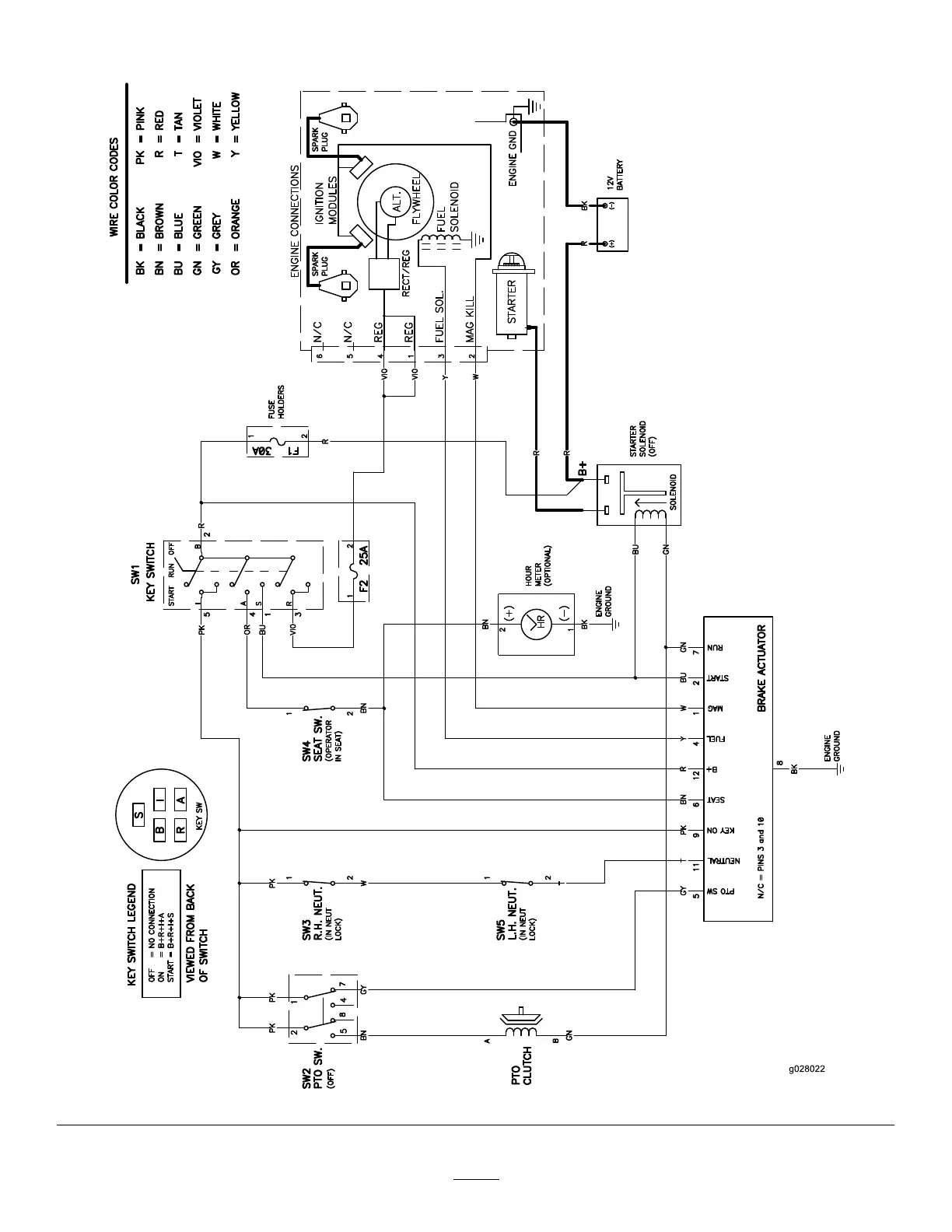
Schematics
ElectricalDiagram(Rev.A)
55

Table of Contents

Related product manuals