EasyManua.ls Logo

TouchTunes Virtuo Floor Stand - Page 35

TouchTunes Virtuo Floor Stand
42 pages
Print Icon
To Next Page IconTo Next Page
To Next Page IconTo Next Page
To Previous Page IconTo Previous Page
To Previous Page IconTo Previous Page
Loading...
Installing the Virtuo Floor Stand
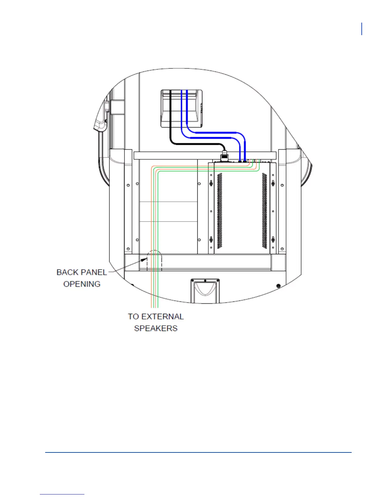
Wiring the DA-415 amplifier
Virtuo Floor Stand Guide
35
This diagram shows the connections between the I/O board and Input A (Zone 2) and Input B (Zone 3) of the
DA-415 amplifier. It also shows the AC plug inside the Virtuo.

Related product manuals