EasyManua.ls Logo

Trane 4TCY4024 - Field Wiring Diagram

Trane 4TCY4024
24 pages
Print Icon
To Next Page IconTo Next Page
To Next Page IconTo Next Page
To Previous Page IconTo Previous Page
To Previous Page IconTo Previous Page
Loading...
Page 18
Installer’s Guide
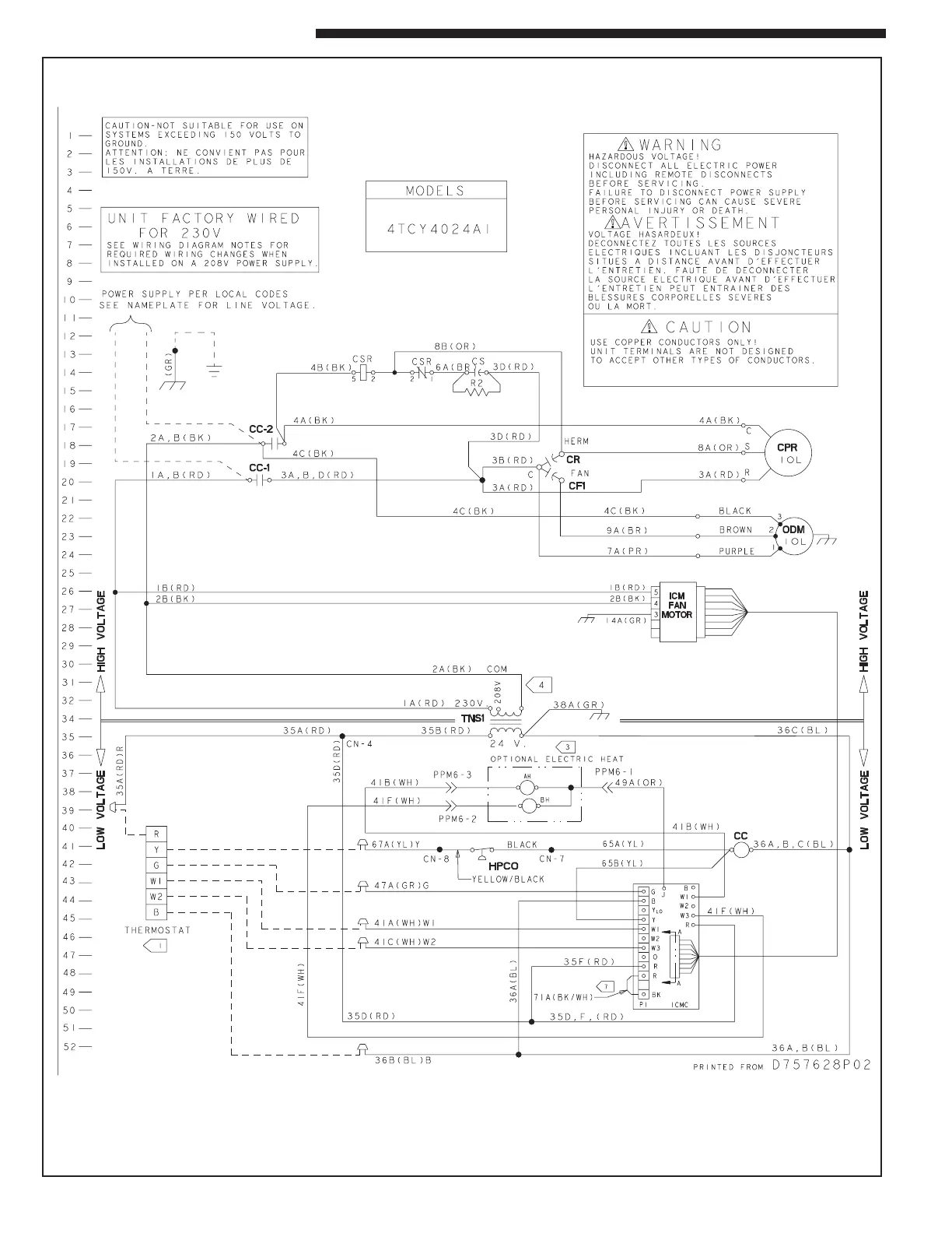
Figure 20. Typical 4TCY4 Field Wiring Diagram

Related product manuals