EasyManua.ls Logo

Trane RTAA-125 - Page 22

Trane RTAA-125
178 pages
Print Icon
To Next Page IconTo Next Page
To Next Page IconTo Next Page
To Previous Page IconTo Previous Page
To Previous Page IconTo Previous Page
Loading...
22 RTAA-SVX01A-EN
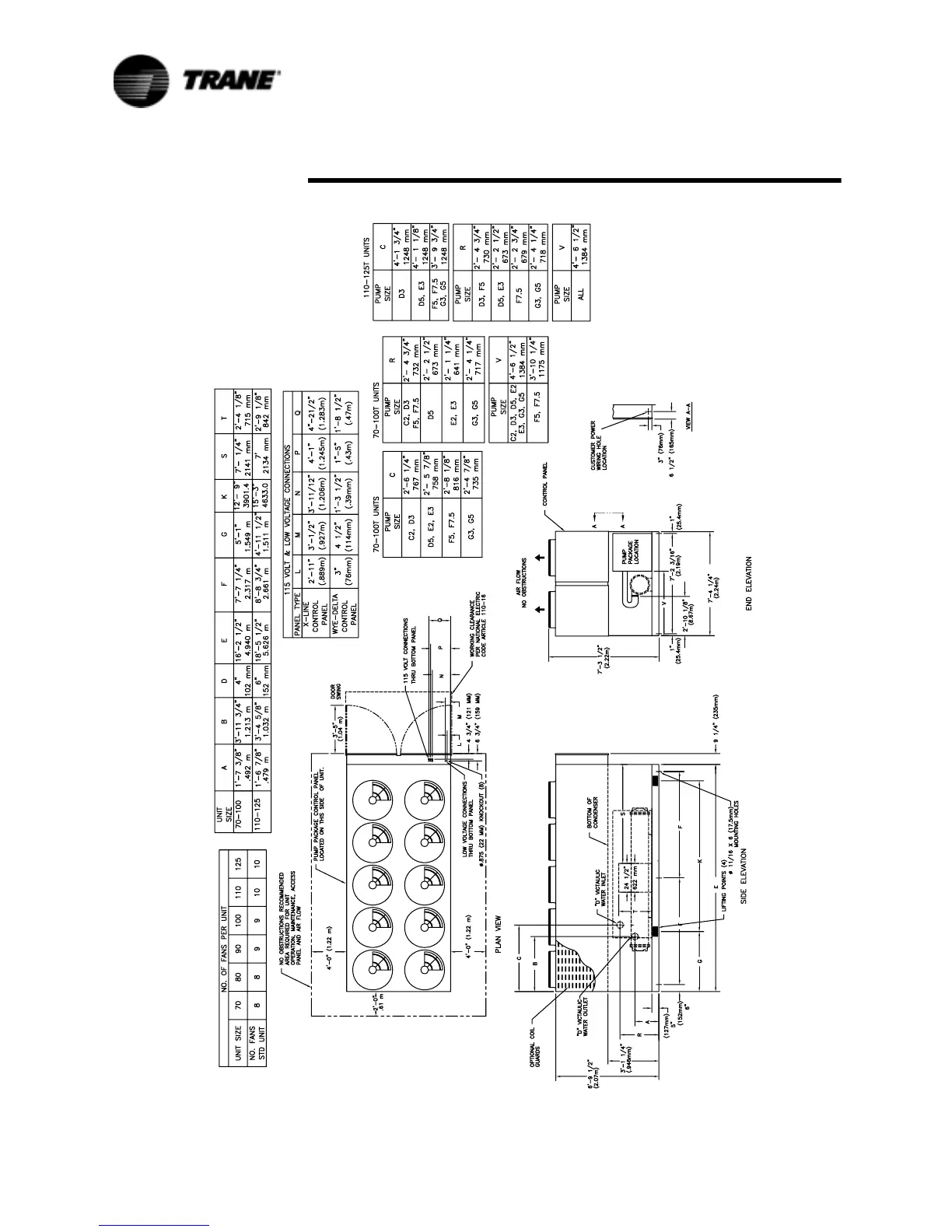
Installation — Mechanical
Figure 12 Dimensions and Clearances for RTAA with Pump Package 70 – 125 Tons

Table of Contents

Related product manuals