EasyManua.ls Logo

Trane S9V2B040U3VSBB - Page 94

Trane S9V2B040U3VSBB
120 pages
Print Icon
To Next Page IconTo Next Page
To Next Page IconTo Next Page
To Previous Page IconTo Previous Page
To Previous Page IconTo Previous Page
Loading...
94
S9V2-VS-SVX001-1D-EN
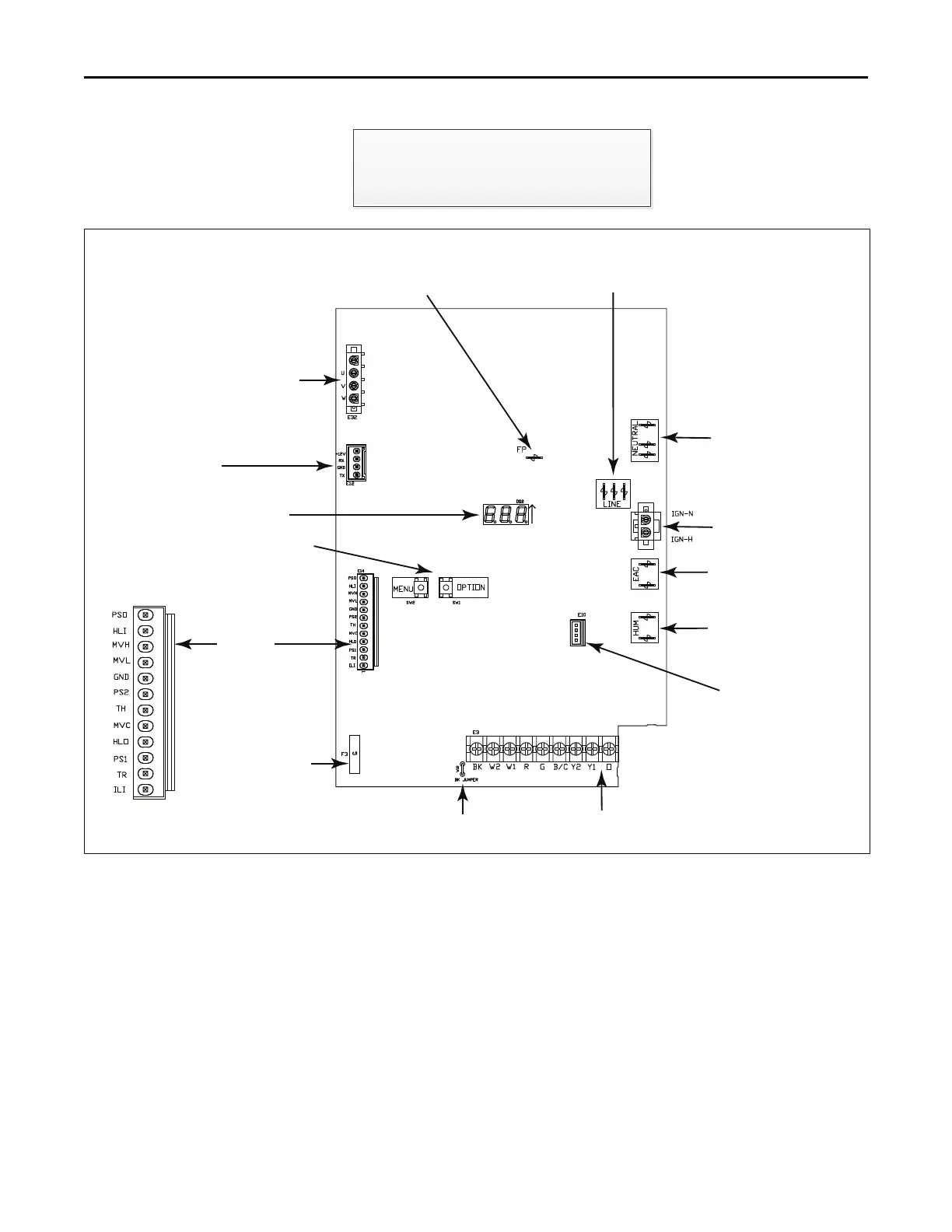
Motor
Communications
Personality
Module
Low Voltage Terminal Strip
12 Pin
Connector
LINE
Connections
EAC Dry Contact
HUM Dry Contact
Neutral
Connections
VSPD Inducer
Connector
Igniter
Connector
7 Segment LED
MENU and OPTION
Select Buttons
5 Amp Fuse
BK Jumper
FP - Flame Sensor
Connector
IFC Component Layout
TTrroouubblleesshhoooottiinngg

Related product manuals