EasyManua.ls Logo

Trane Thermo King TriPac EVOLUTION - TriPac Evolution Component Dimensions; APU Dimensions

Trane Thermo King TriPac EVOLUTION
96 pages
Print Icon
To Next Page IconTo Next Page
To Next Page IconTo Next Page
To Previous Page IconTo Previous Page
To Previous Page IconTo Previous Page
Loading...
14
TK 55676-19-IM-EN
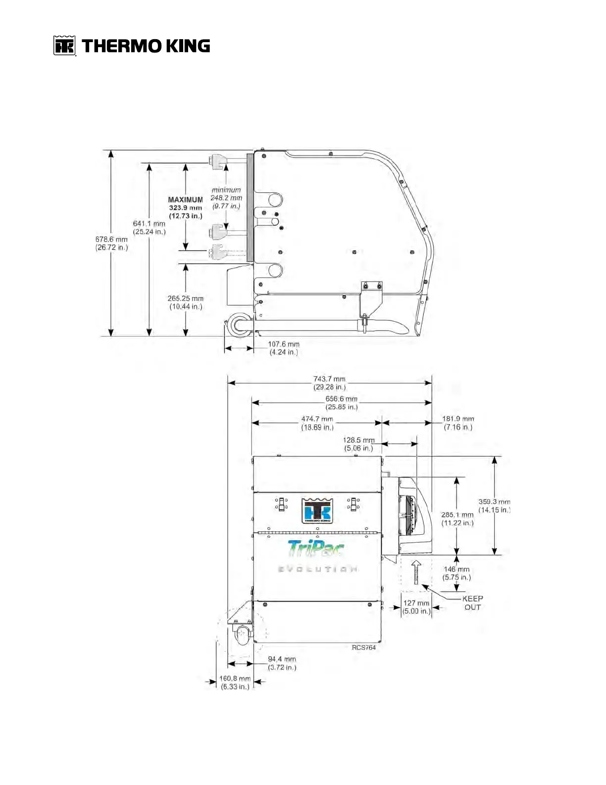
TriPac Evolution Component Dimensions
APU
Figure 1. TriPac Evolution APU Dimensions (side and front)

Table of Contents

Related product manuals