EasyManua.ls Logo

Trane Thermo King TriPac EVOLUTION - Closed Loop Cooling Diagram

Trane Thermo King TriPac EVOLUTION
96 pages
Print Icon
To Next Page IconTo Next Page
To Next Page IconTo Next Page
To Previous Page IconTo Previous Page
To Previous Page IconTo Previous Page
Loading...
TK 55676-19-IM-EN
25
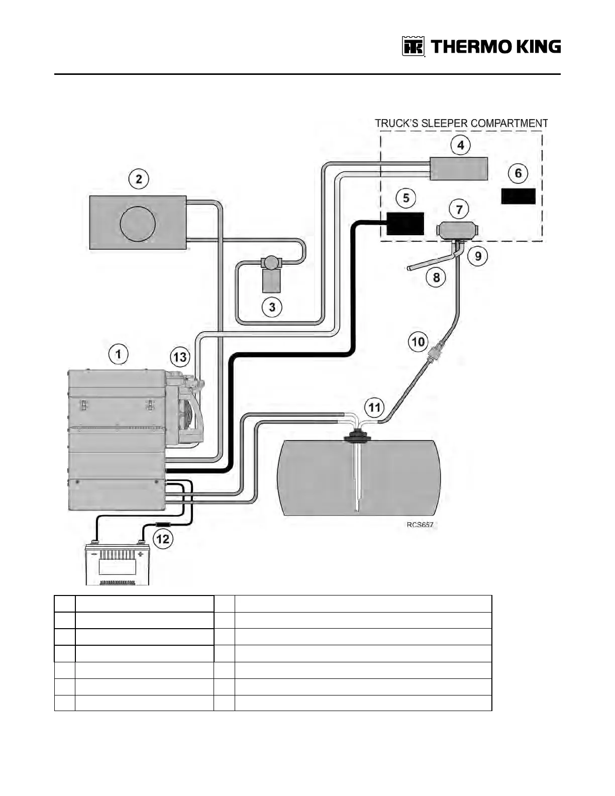
TriPac Evolution Components with Optional Closed Loop Cooling
Figure 11. TriPac Evolution Components with Optional Closed Loop Cooling
1 APU (Auxiliary Power Unit) 8 Heater Exhaust Tube
2 A/C Condenser 9 Heater Intake Tube
3 A/C Receiver Drier 10 Heater Fuel Pump
4 A/C Evaporator 11 Diesel Fuel Pickup Tube
5 Control Box 12 Main Power Fuse (connects to truck’s batteries)
6 HMI Controller 13 Coolant Expansion Tank
7 Heater
TTyyppiiccaall CCoommppoonneenntt LLooccaattiioonnss

Table of Contents

Related product manuals