EasyManua.ls Logo

Trane Thermo King TriPac EVOLUTION - Evaporator Dimensions

Trane Thermo King TriPac EVOLUTION
96 pages
Print Icon
To Next Page IconTo Next Page
To Next Page IconTo Next Page
To Previous Page IconTo Previous Page
To Previous Page IconTo Previous Page
Loading...
TK 55676-19-IM-EN
17
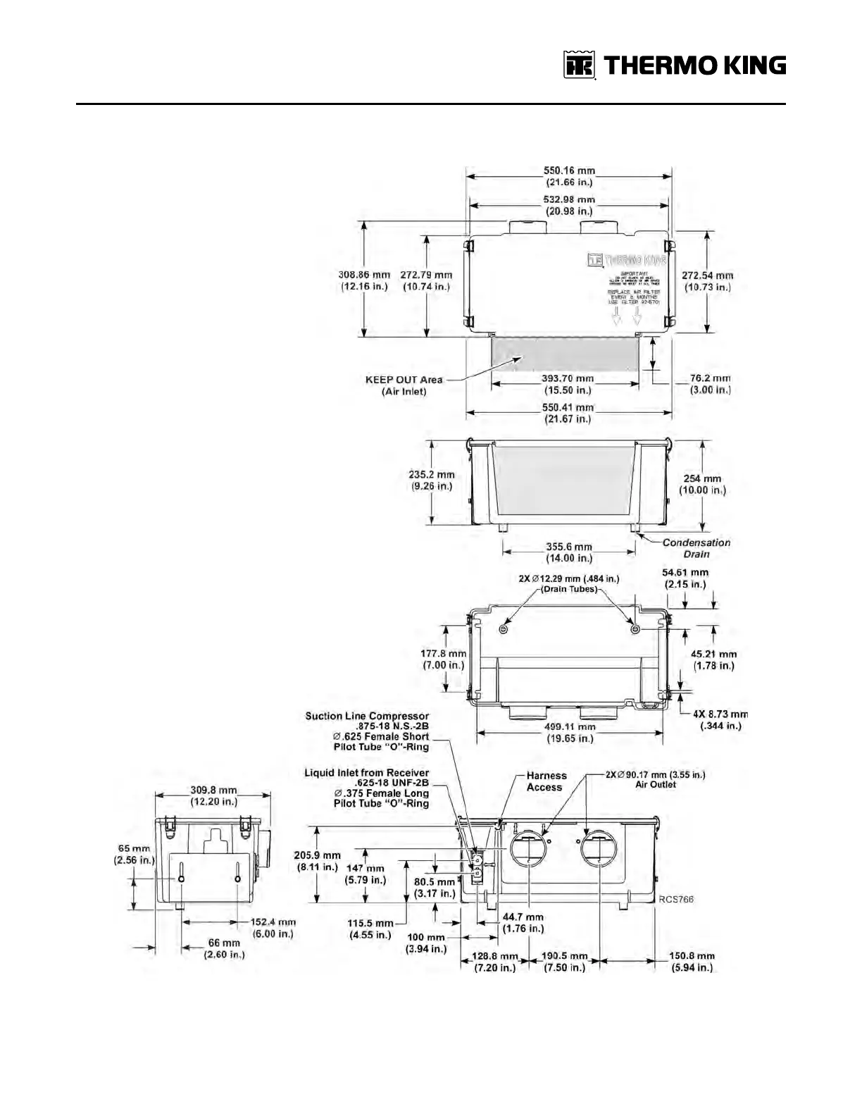
Evaporator
Figure 4. TriPac Evolution Evaporator Dimensions
TTrriiPPaacc EEvvoolluuttiioonn CCoommppoonneenntt DDiimmeennssiioonnss

Table of Contents

Related product manuals