EasyManua.ls Logo

Trane Thermo King TriPac EVOLUTION - Truck Coolant Integration Diagram

Trane Thermo King TriPac EVOLUTION
96 pages
Print Icon
To Next Page IconTo Next Page
To Next Page IconTo Next Page
To Previous Page IconTo Previous Page
To Previous Page IconTo Previous Page
Loading...
24
TK 55676-19-IM-EN
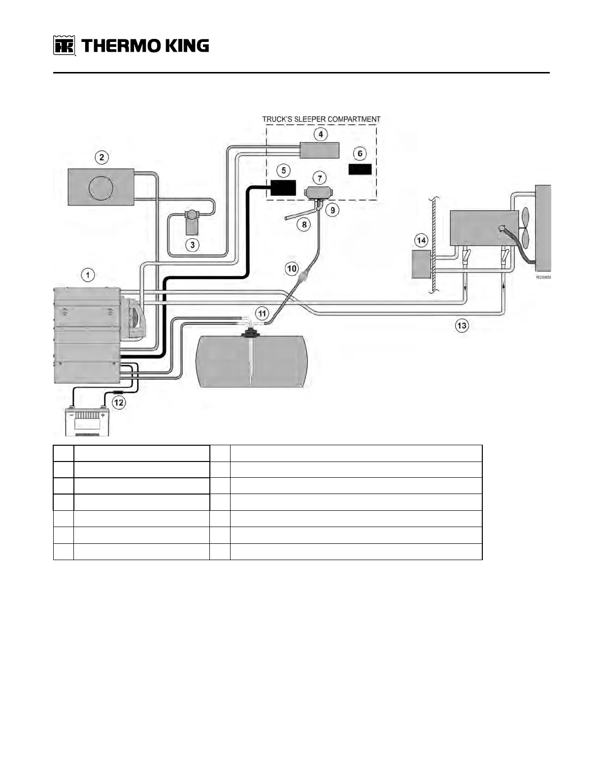
TriPac Evolution Components with Truck Coolant Integration
Figure 10. TriPac Evolution Components with Truck Coolant Integration
1 APU (Auxiliary Power Unit) 8 Heater Exhaust Tube
2 A/C Condenser 9 Heater Intake Tube
3 A/C Receiver Drier 10 Heater Fuel Pump
4 A/C Evaporator 11 Diesel Fuel Pickup Tube
5 Control Box 12 Main Power Fuse (connects to truck’s batteries)
6 HMI Controller 13 Coolant Supply and Return Hoses (connects to truck’s engine)
7 Heater 14 Truck’s Heater Core (connects to truck’s engine)
TTyyppiiccaall CCoommppoonneenntt LLooccaattiioonnss

Table of Contents

Related product manuals