EasyManua.ls Logo

Trox Technik AURASAFE mini - How to Connect AURASAFE Mini

Trox Technik AURASAFE mini
32 pages
Print Icon
To Next Page IconTo Next Page
To Next Page IconTo Next Page
To Previous Page IconTo Previous Page
To Previous Page IconTo Previous Page
Loading...
NO/DK/GB
8
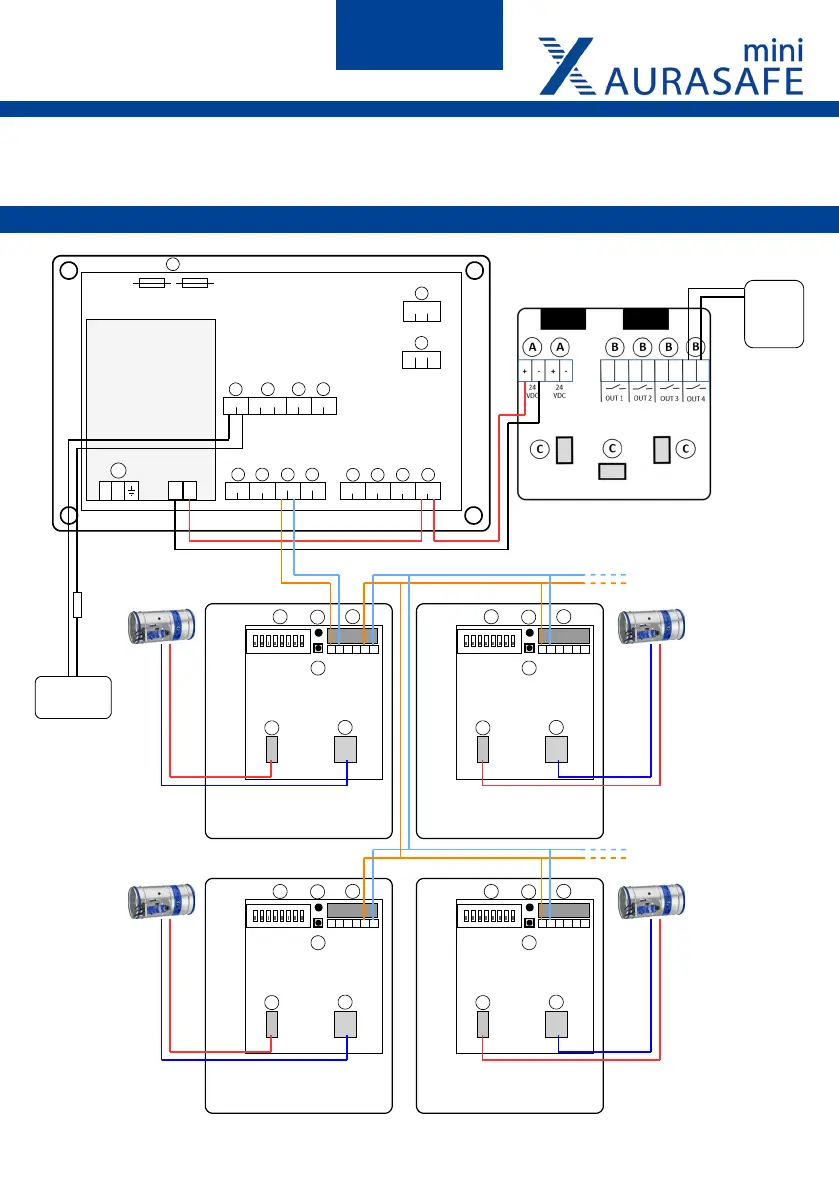
EXAMPLE:
How to connect AURASAFE mini
NO: Et enkelt eksempel på hvordan du kobler til AURSAFE mini hvis det kun brukes spjeld.
DK: Et simpelt eksempel på, hvordan man tilslutter AURSAFE mini, hvis der kun bruges spjæld.
GB: A simple example on how to connect AURSAFE mini if only dampers are needed.
2826 27
RS -485
B 0A
21 2422 23 25
AHU
2018 19
ALARM
ON/O FF
F+F+ 0 0
31 2 4
75 6 8
INT.LOC K
1110 1 2 16 1 7
S MO KE
9
EXT IN
14 1 5
-
+
L
N
A
B C D D
E
F
G
I
J
M
H
SE RVIC E
SE F
ON/O FF
3129 30
F+
24 V
0
N
SE F
ALARM IN
PR ESS URE
0
0-10 V
S EF S PE ED
0-1 0V
-
OUT
OUT
ALAR M PANE L
K L
O
F1 F2
13
24V
 




 




- +
Damper
Supply
Ctrl. signal
Damper
Supply
Ctrl. signal
Resister
coupled
in series
(2.2k Ω)
Fire control
system
Air Handling
Unit (AHU)
TX-DREL3 relay box needed depending
on the voltage/current of AHU control signal
*Use TX-RBRS3 to control the relay
from FLEXIbus
 




 




Damper
Supply
Ctrl. signal
Damper
Supply
Ctrl. signal

Related product manuals