EasyManua.ls Logo

True TC650 - Page 16

True TC650
62 pages
Print Icon
To Next Page IconTo Next Page
To Next Page IconTo Next Page
To Previous Page IconTo Previous Page
To Previous Page IconTo Previous Page
Loading...
CHAPTER 2: ASSEMBLY GUIDE
Truetness.com / 800.426.6570 / 636.272.7100
16 of 62
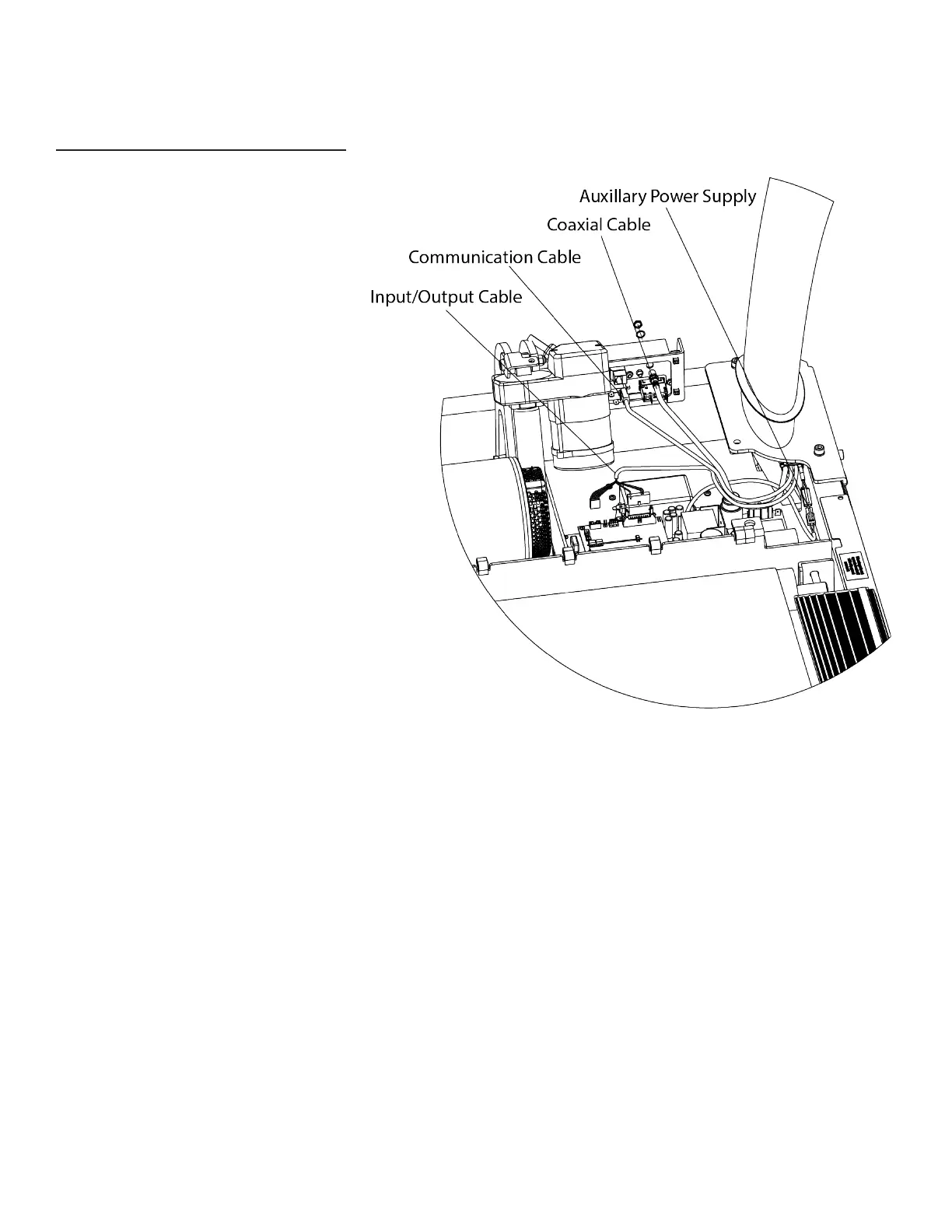
TREADMILL ASSEMBLY STEPS:
Step 3 Frame Cable Connections:
a) Route the cables exiting from the
right pedestal to the appropriate
connection point as shown. Cables will
be marked for easy identication.
b) Remove the nut and washer attached
to the coaxial cable as shown.
c) Pass the front of the coaxial cable
through the hole in the electrical panel
and reinstall the washer and nut on the
coaxial cable.

Related product manuals