EasyManua.ls Logo

TSI Instruments 3080L - Location of Warning and Information Labels

TSI Instruments 3080L
149 pages
Print Icon
To Next Page IconTo Next Page
To Next Page IconTo Next Page
To Previous Page IconTo Previous Page
To Previous Page IconTo Previous Page
Loading...
xvi Series 3080 Electrostatic Classifiers
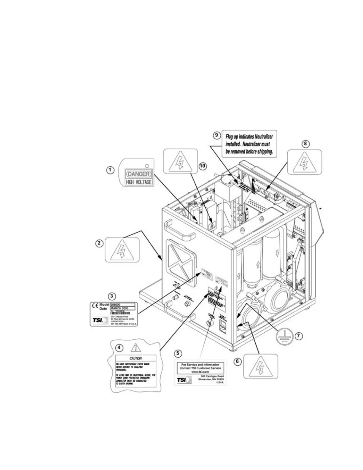
5 Customer Service Label (back of cabinet)
6 High-Voltage Symbol Label (interior, on power entry module)
7 Ground Symbol Label (interior, bottom, next to ground stud)
8 High-Voltage Symbol Label (interior, on high-voltage inverter
for display)
9 Flag up Label (top, outside cover)
10 High Voltage Symbol Label (interior, on high-voltage power
supply)
Figure S-1
Location of Warning and Information Labels
Artisan Technology Group - Quality Instrumentation ... Guaranteed | (888) 88-SOURCE | www.artisantg.com

Table of Contents

Related product manuals